GM Service Manual Online
For 1990-2009 cars only
Makes
🢒
Pontiac
🢒
2007
🢒
G6
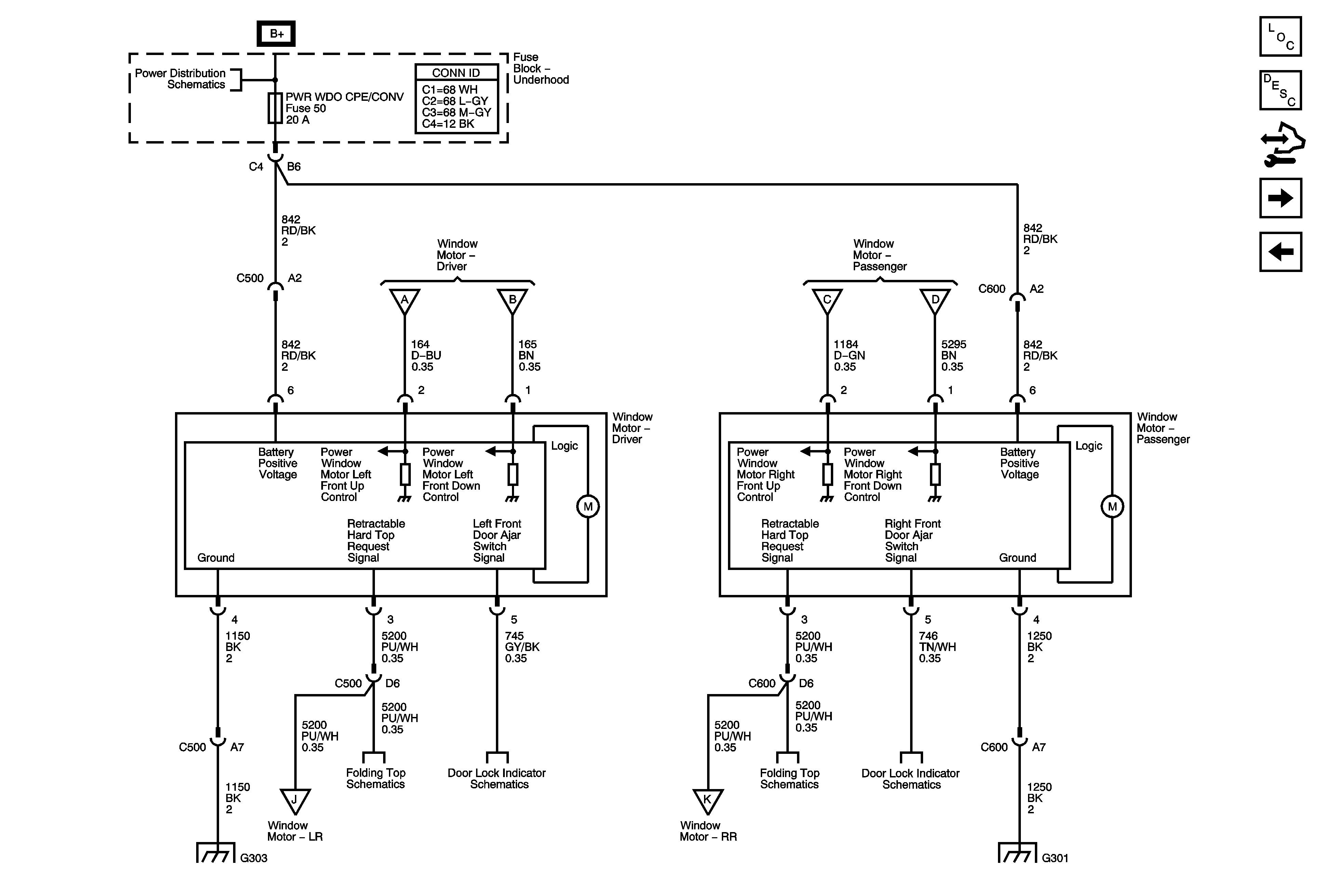
🢒 Front Window Motors - Convertible
Front Window Motors - Convertible
Front Window Motors - Convertible
Master Electrical Component List
Power Windows Description and Operation
Control Module References
Rear Window Motors - Convertible
Window Switches - Convertible
Underhood Fuse Block DRL, LO/BEAM and HI/BEAM Relays, ABS, DRL, EPS, IBCM 1, IBCM 2, LT HI BEAM, LT LOW BEAM, PCM, PWR WDO CPE/CONV, RT HI BEAM, RT LOW BEAM and TCM Fuses
Window Switches - Convertible
Window Switches - Convertible
Window Switches - Convertible
Window Switches - Convertible
G303
Rear Window Motors - Convertible
DLC, Ground, Power and References
Door Ajar Indicators
Rear Window Motors - Convertible
DLC, Ground, Power and References
Door Ajar Indicators
G301