GM Service Manual Online
For 1990-2009 cars only
Makes
🢒
Pontiac
🢒
2007
🢒
G6
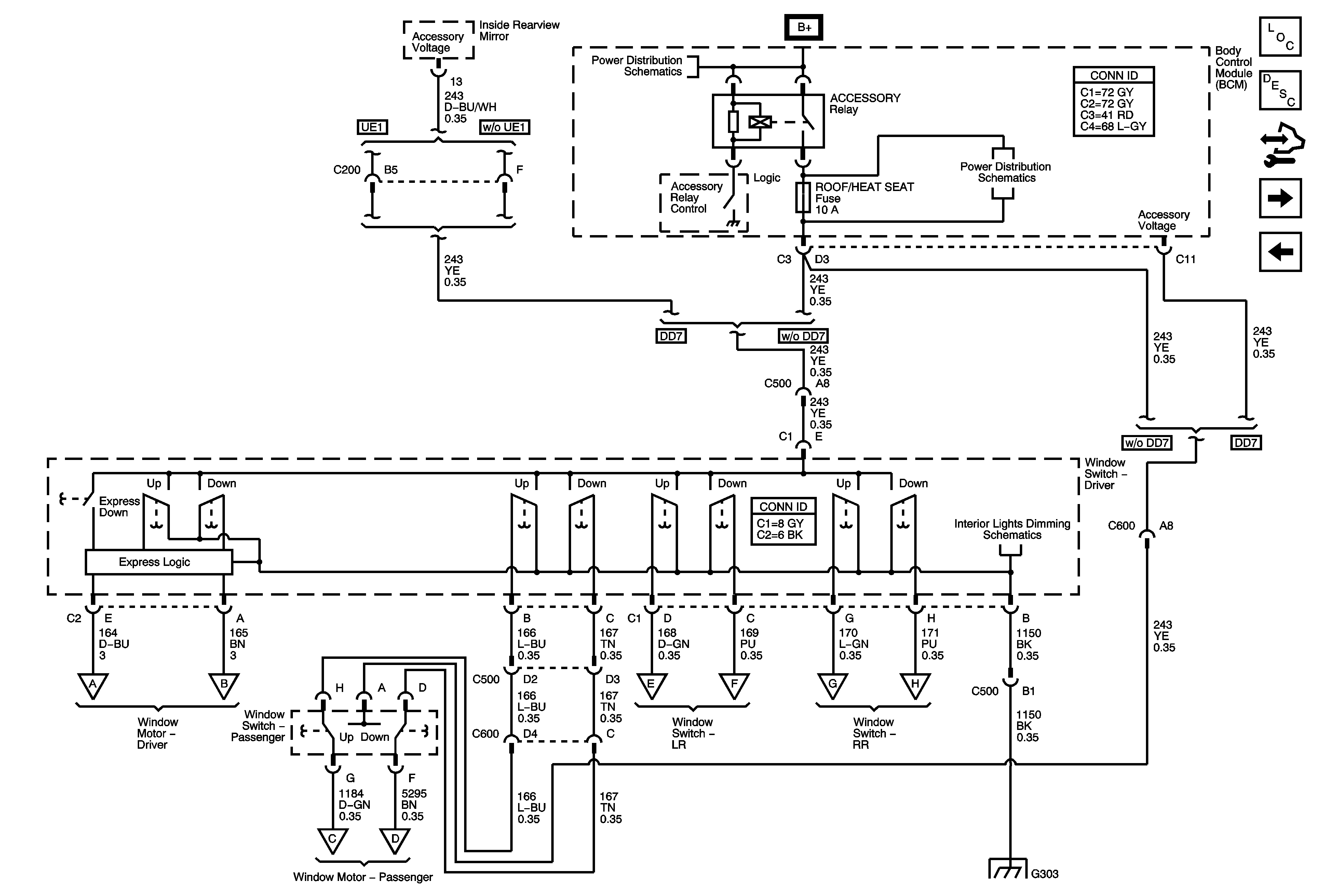
🢒 Window Switches - Convertible
Window Switches - Convertible
Window Switches - Convertible
Master Electrical Component List
Power Windows Description and Operation
Control Module References
Front Window Motors - Convertible
Sedan
07 G6-Underhood Fuse Block IBCM 2 Fuse, BCM ACCESSORY Relay, DOOR LOCK, POWER WINDOWS, ROOF/HEAT SEAT and WIPER SW Fuses
07 G6-Underhood Fuse Block IBCM 2 Fuse, BCM ACCESSORY Relay, DOOR LOCK, POWER WINDOWS, ROOF/HEAT SEAT and WIPER SW Fuses
Front Window Motors - Convertible
Front Window Motors - Convertible
Rear Window Motors - Convertible
Rear Window Motors - Convertible
G303