GM Service Manual Online
For 1990-2009 cars only
Makes
🢒
Pontiac
🢒
2004
🢒
GTO
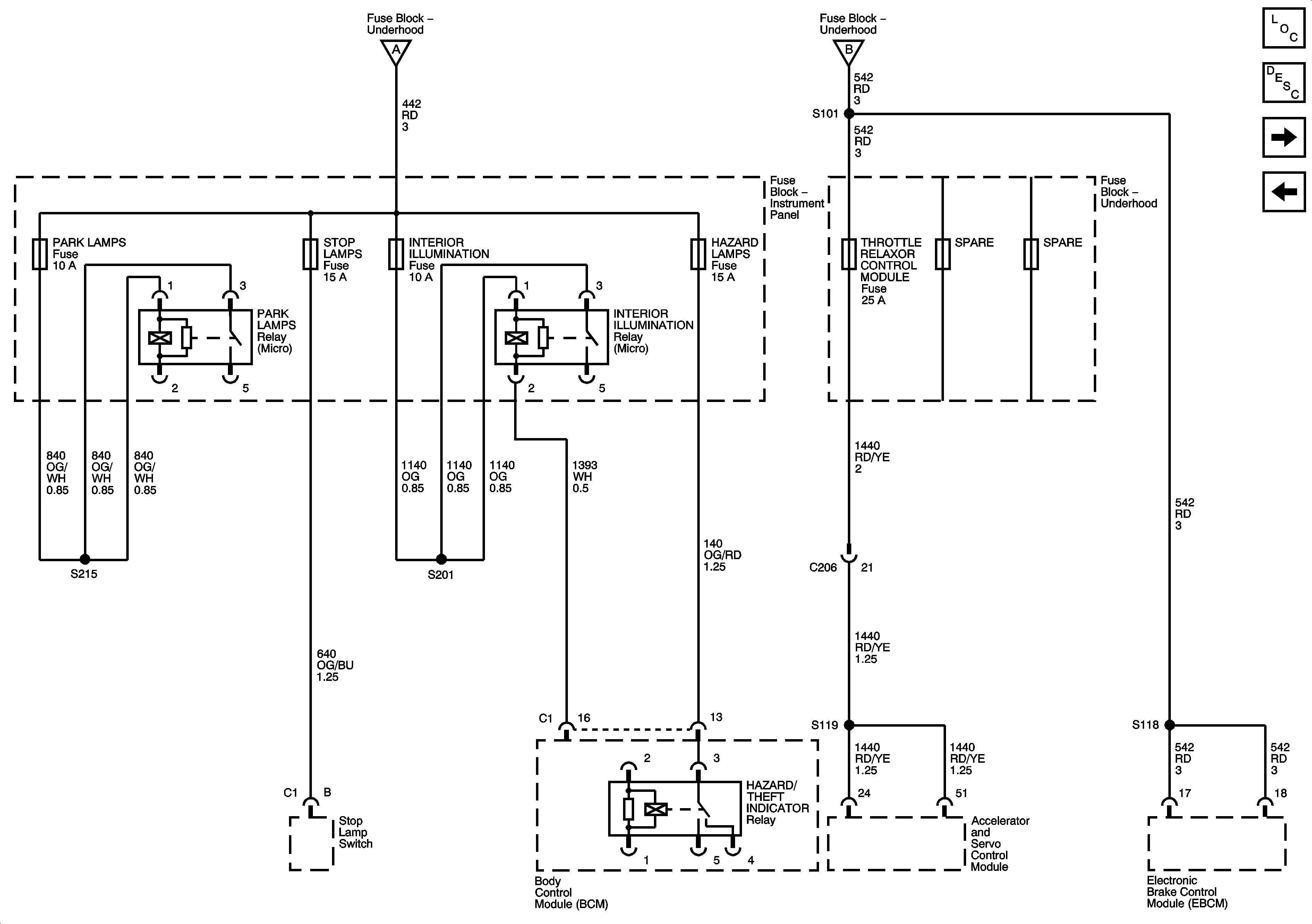
🢒 Park Lamps, Stoplamps, Interior Illumination, Hazard Lamps, Throttle Fuses
Park Lamps, Stoplamps, Interior Illumination, Hazard Lamps, Throttle Fuses
PARK LAMPS, STOP LAMPS, INTERIOR ILLUMINATION, HAZARD LAMPS, THROTTLE RELAXER CONTROL Fuses
Master Electrical Component List
Engine, Fuel Pump, BCM/Engine Control Telematics Fuses
Battery, Rad Fan Large, Lighting, ABS Fuses