GM Service Manual Online
For 1990-2009 cars only
Makes
🢒
Pontiac
🢒
2004
🢒
GTO
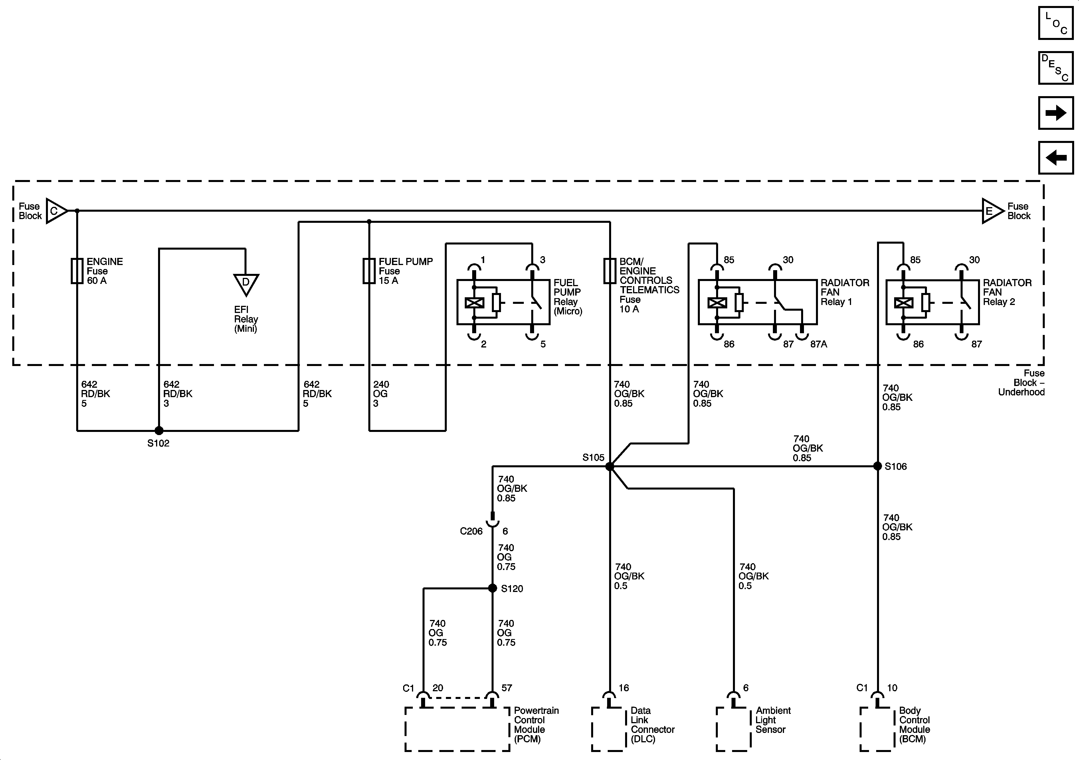
🢒 Engine, Fuel Pump,BCM/Engine Control Telematics Fuses
Engine, Fuel Pump,BCM/Engine Control Telematics Fuses
ENGINE, FUEL PUMP, BCM/ENGINE CONTROL TELEMATICS Fuses
Master Electrical Component List
Main, Blower, Rad Fan Small, Power Door Locks, Theft, Horn, Power Windows Fuses
Park Lamps, Stoplamps, Interior Illumination, Hazard Lamps, Throttle Fuses