GM Service Manual Online
For 1990-2009 cars only
Makes
🢒
Pontiac
🢒
2004
🢒
GTO
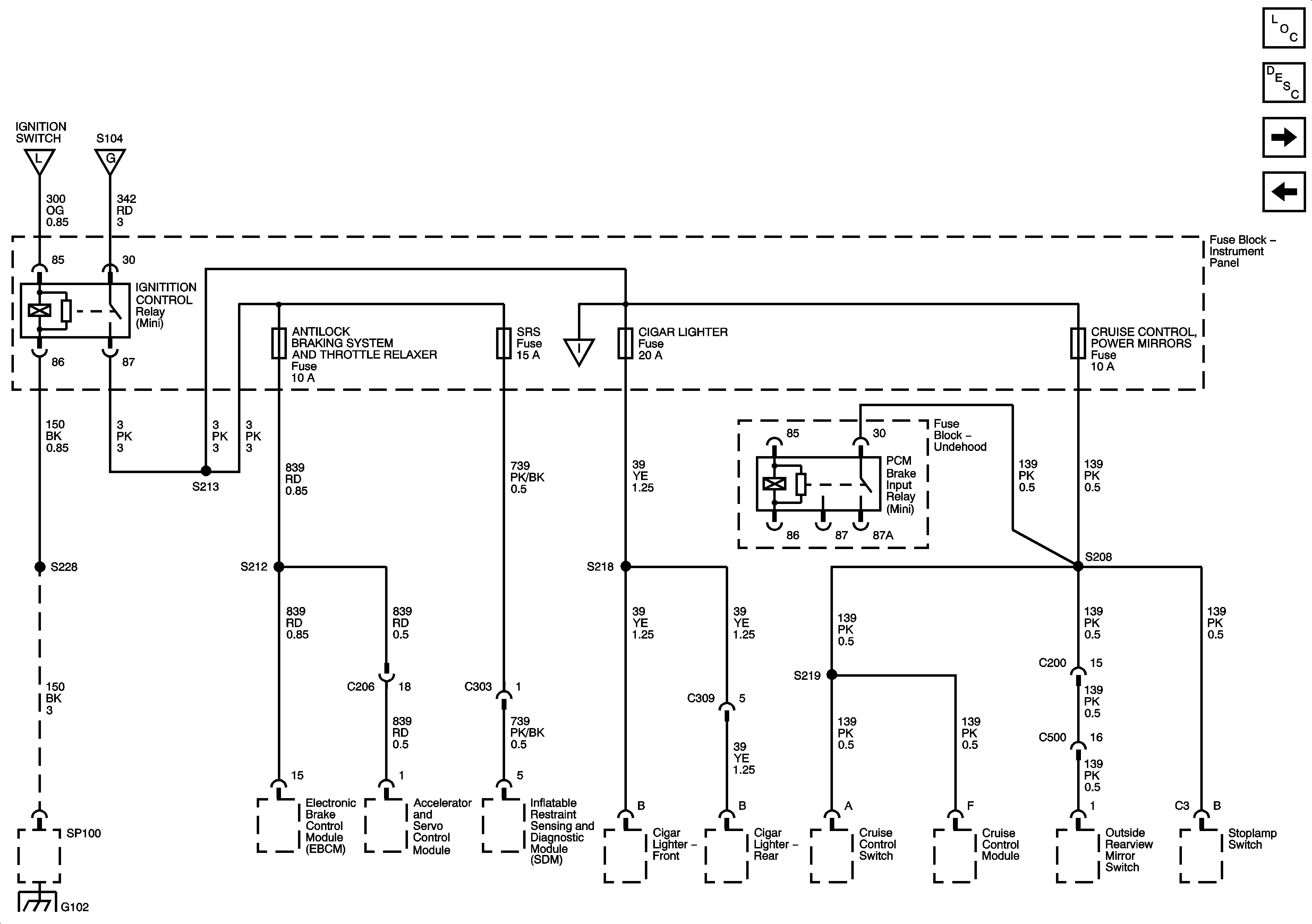
🢒 Ignition Control Relay, ABS, Throttle Relaxer, SRS, Cigar Lighter, Cruise Fuses
Ignition Control Relay, ABS, Throttle Relaxer, SRS, Cigar Lighter, Cruise Fuses
Ignition Control Relay, ABS and THROTTLE RELAXER, SRS, CIGAR LIGHTER, CRUISE CONTROL, POWER MIRROR Fuses
Master Electrical Component List
Turn Signals, Heated Rear Window, HVAC and Instruments Fuses
Accessory Control relay, Radio/Phone, ACC Socket, Front Washer/Wiper Fuses