GM Service Manual Online
For 1990-2009 cars only
Makes
🢒
Pontiac
🢒
2004
🢒
GTO
🢒 Trailer Lighting
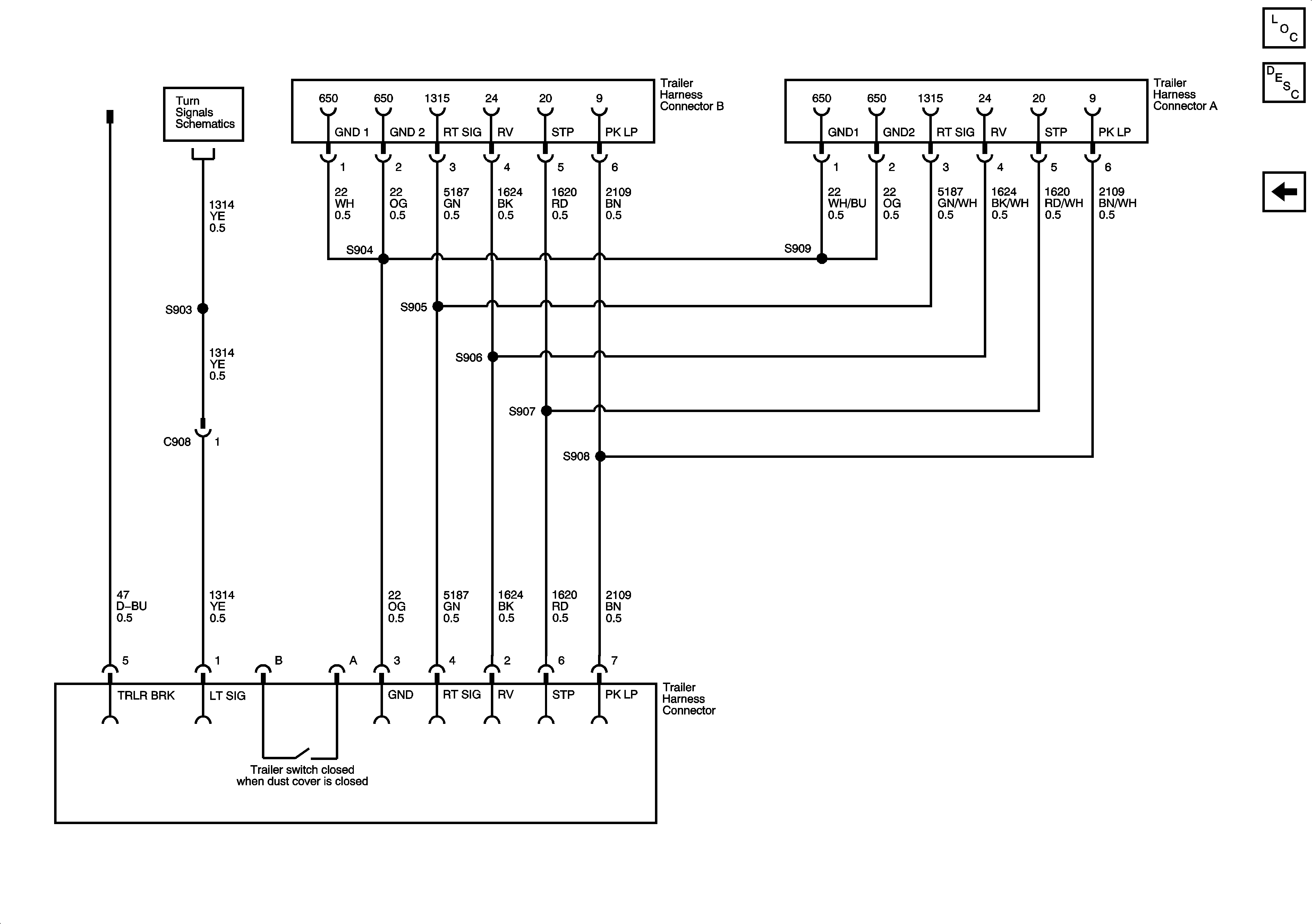
Trailer Lighting
Trailer Lighting
Master Electrical Component List
Exterior Lighting Systems Description and Operation
Backup Lamps
Turn Signal Switch and Lamps