GM Service Manual Online
For 1990-2009 cars only
Makes
🢒
Pontiac
🢒
2004
🢒
GTO
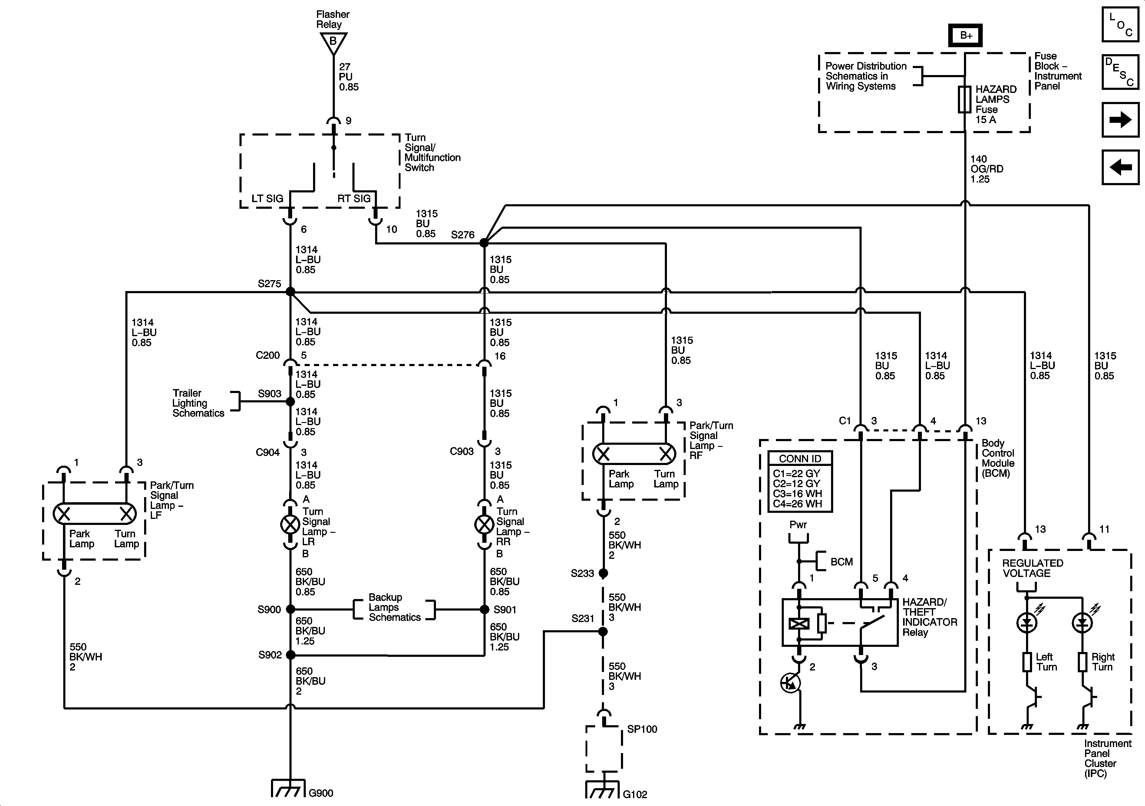
🢒 Turn Signal Switch and Lamps
Turn Signal Switch and Lamps
Turn Signal Switch and Lamps
Master Electrical Component List
Exterior Lighting Systems Description and Operation
Stoplamps
Headlamp Switch, Hazard Switch and Flasher
Trailer Lighting
Backup Lamps
G900 and G901
SP100 and G102
Park Lamps, Stoplamps, Interior Illumination, Hazard Lamps, Throttle Fuses