GM Service Manual Online
For 1990-2009 cars only
Makes
🢒
Pontiac
🢒
2005
🢒
GTO
🢒
Transmission/Transaxle
🢒
Shift Lock Control
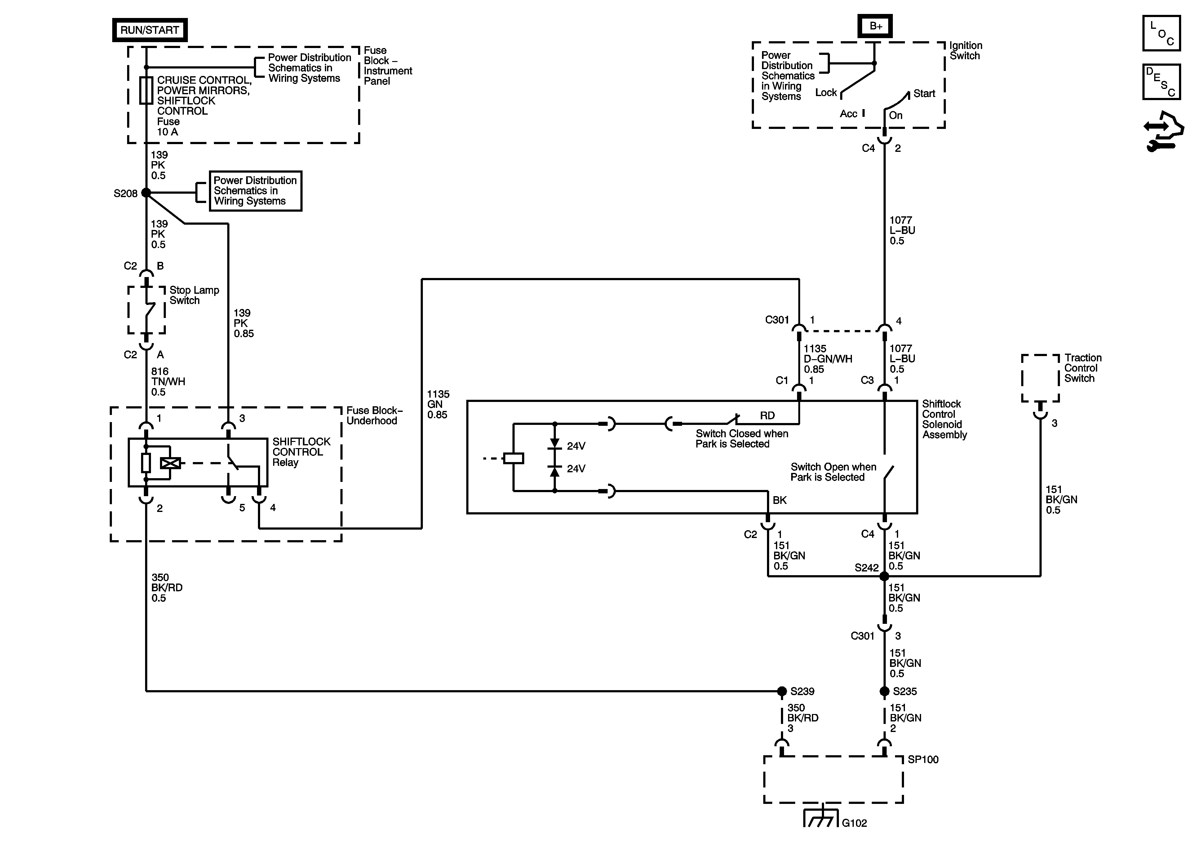
🢒 Shift Lock Control Schematics
Master Electrical Component List
Automatic Transmission Shift Lock Control Description and Operation
Control Module References
Ignition Control Relay, ABS and TCS, SRS, CIGAR LIGHTER, CRUISE CONTROL, POWER MIRROR and SHIFTLOCK CONTROL Fuses
Ignition Control Relay, ABS and TCS, SRS, CIGAR LIGHTER, CRUISE CONTROL, POWER MIRROR and SHIFTLOCK CONTROL Fuses
Ignition Switch
SP100 and G102 4 of 5