GM Service Manual Online
For 1990-2009 cars only
Makes
🢒
Pontiac
🢒
2005
🢒
GTO
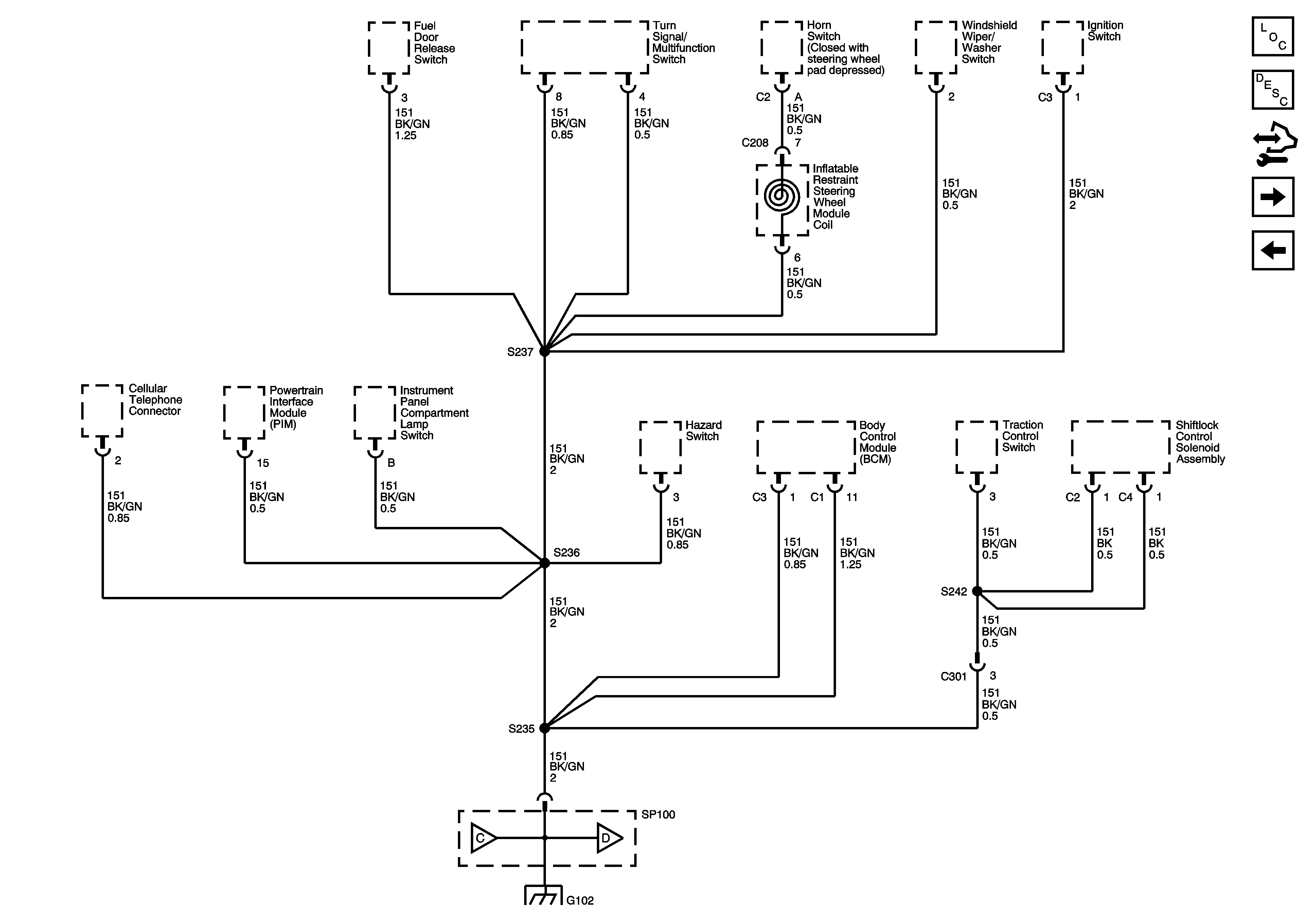
🢒 SP100 and G1024 of 5
SP100 and G1024 of 5
SP100 and G102 4 of 5
Master Electrical Component List
Control Module References
SP100 and G102 - 5 of 5, G103 and G200
SP100 and G102 3 of 5