GM Service Manual Online
For 1990-2009 cars only
Makes
🢒
Pontiac
🢒
2005
🢒
GTO
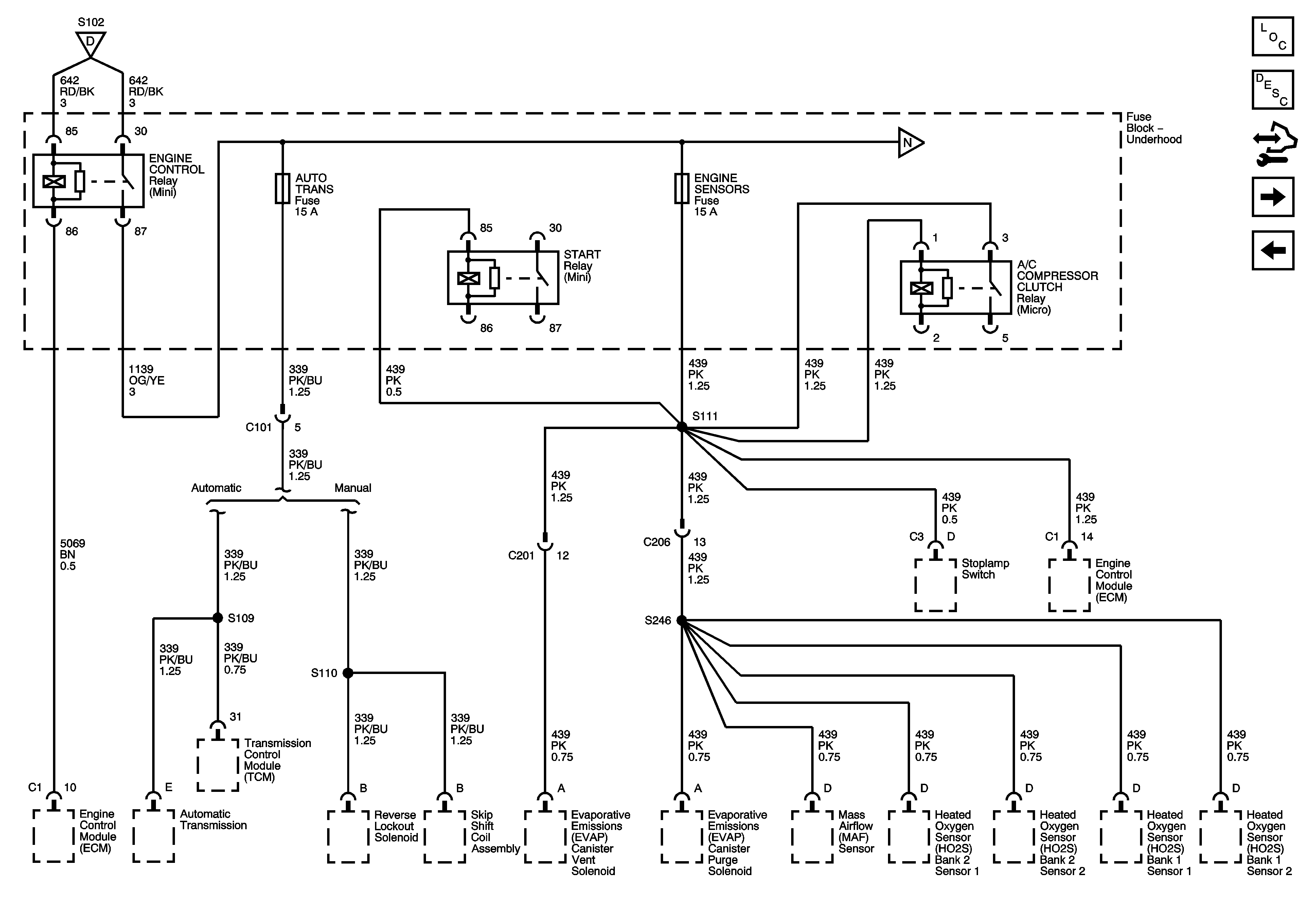
🢒 EFI Relay, AUTO TRANS and ENGINE SENSORS Fuses
EFI Relay, AUTO TRANS and ENGINE SENSORS Fuses
EFI Relay, AUTO TRANS and ENGINE SENSORS Fuses
Master Electrical Component List
Control Module References
Fuel Injectors and Ignition Module Fuses
TURN SIGNALS and BACKUP LAMPS, HEATED REAR WINDOW, HVAC, and INSTRUMENT Fuses