GM Service Manual Online
For 1990-2009 cars only
Makes
🢒
Pontiac
🢒
2005
🢒
GTO
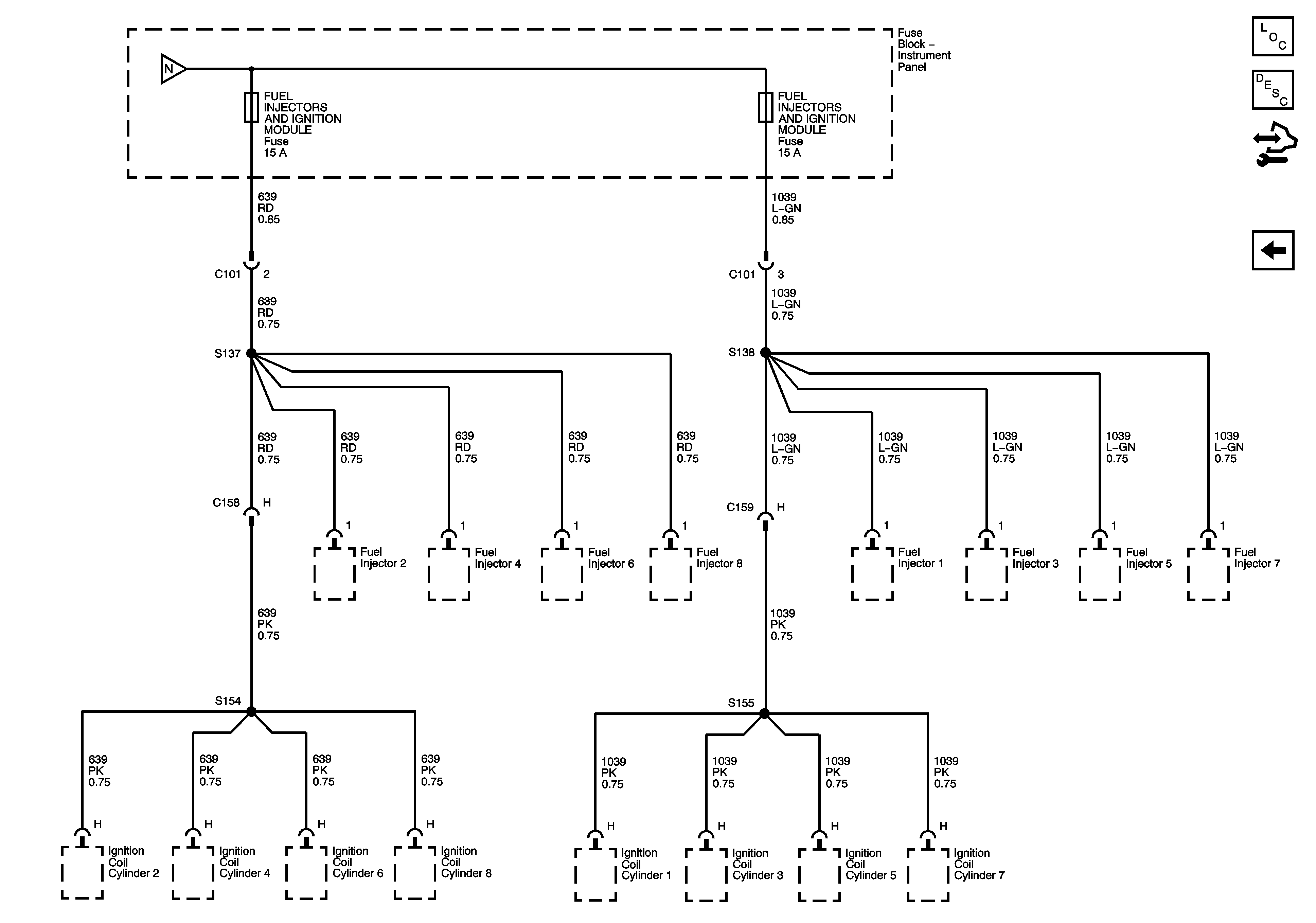
🢒 Fuel Injectors and Ignition Module Fuses
Fuel Injectors and Ignition Module Fuses
Fuel Injectors and Ignition Module Fuses
Master Electrical Component List
Control Module References
EFI Relay, AUTO TRANS and ENGINE SENSORS Fuses