GM Service Manual Online
For 1990-2009 cars only
Makes
🢒
Pontiac
🢒
2005
🢒
GTO
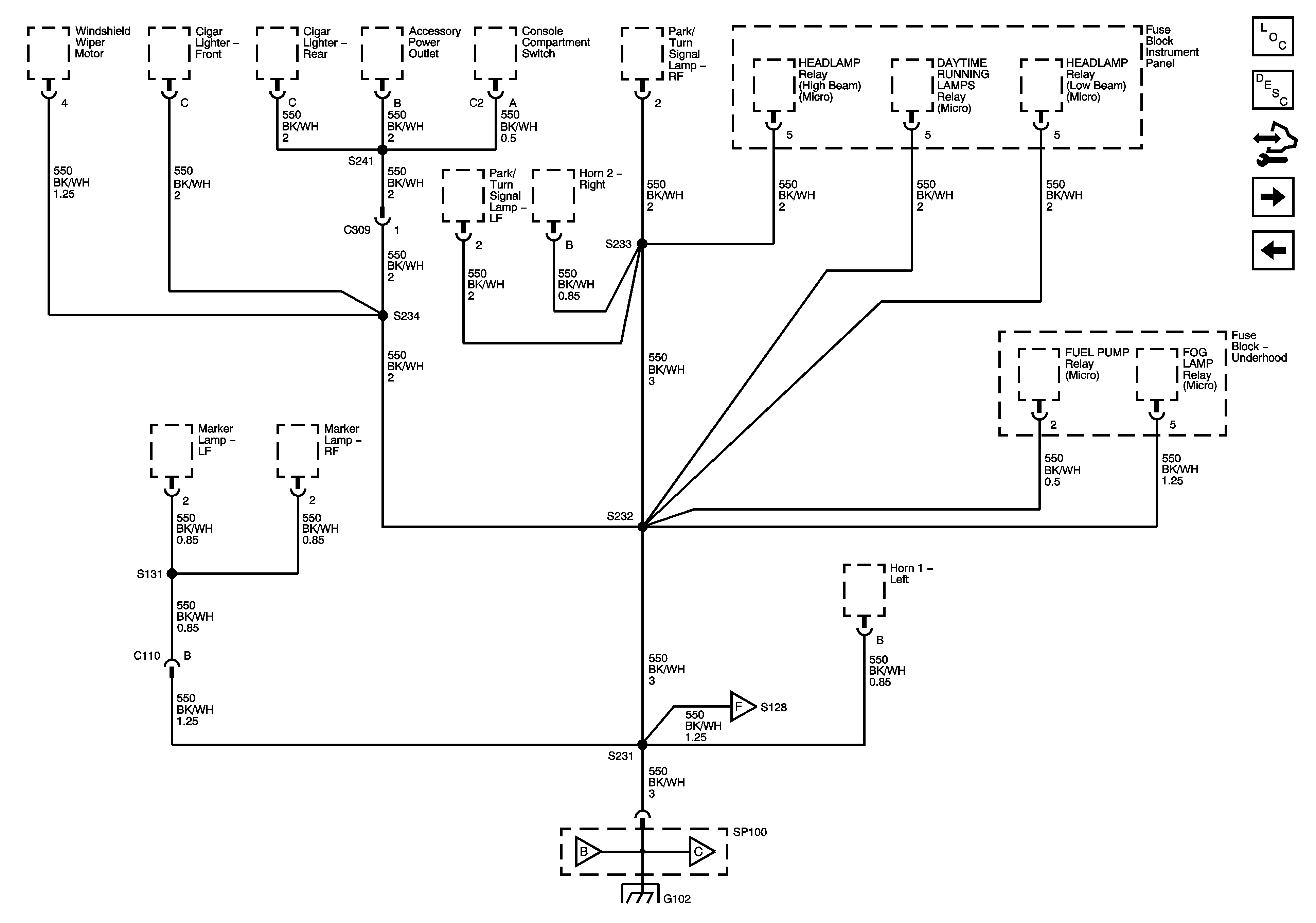
🢒 SP100 and G1023 of 5
SP100 and G1023 of 5
SP100 and G102 3 of 5
Master Electrical Component List
Control Module References
SP100 and G102 4 of 5
SP100 and G102 2 of 5