GM Service Manual Online
For 1990-2009 cars only
Makes
🢒
Pontiac
🢒
2005
🢒
GTO
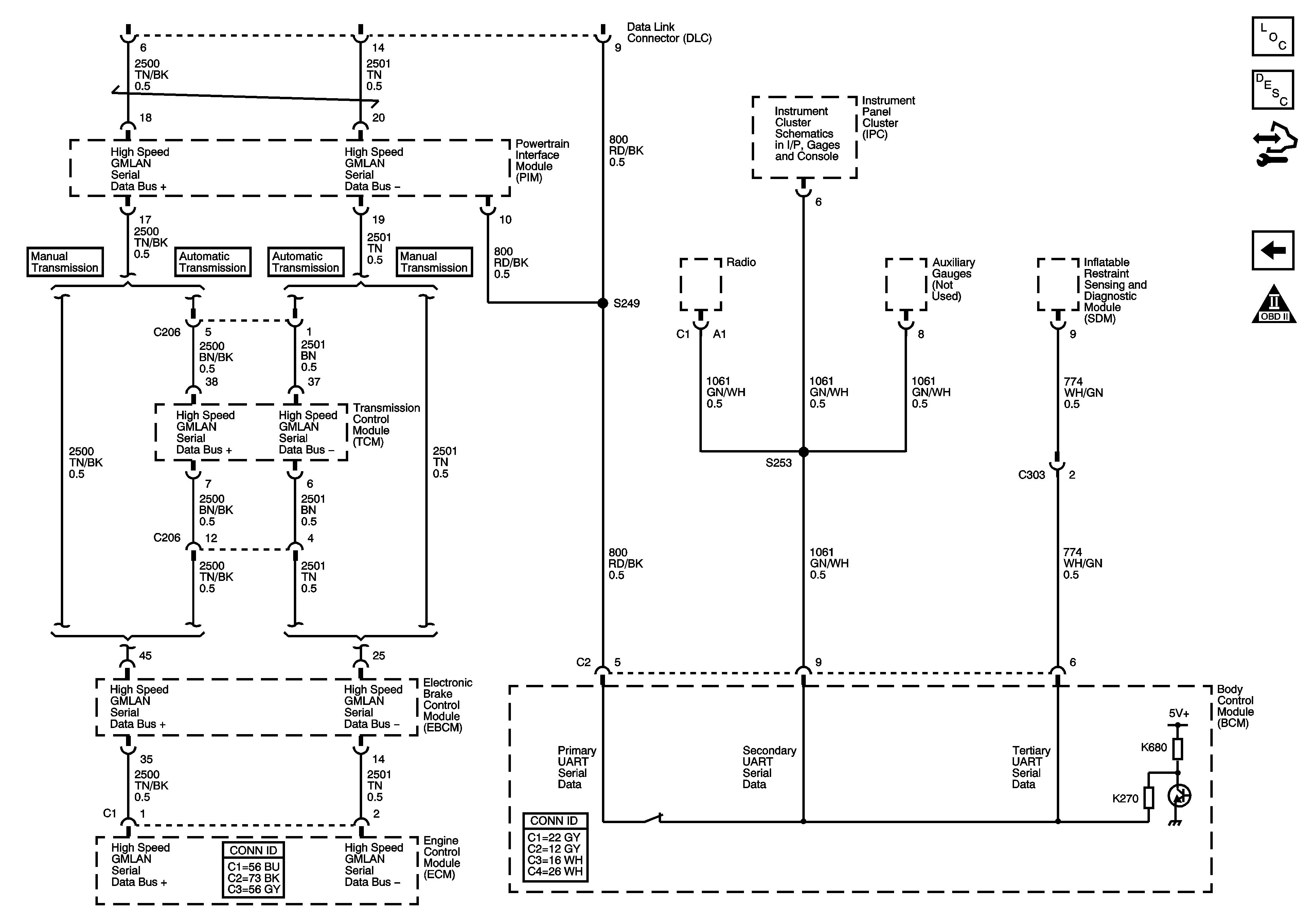
🢒 Data Link Connector - 2 of 2
Data Link Connector - 2 of 2
2 of 2
Master Electrical Component List
Data Link Communications Description and Operation
Control Module References
Data Link Connector - 1 of 2
OBD II Symbol Description Notice
Instrument Panel Cluster (IPC) Power and Ground, Serial Data