GM Service Manual Online
For 1990-2009 cars only
Makes
🢒
Pontiac
🢒
2005
🢒
GTO
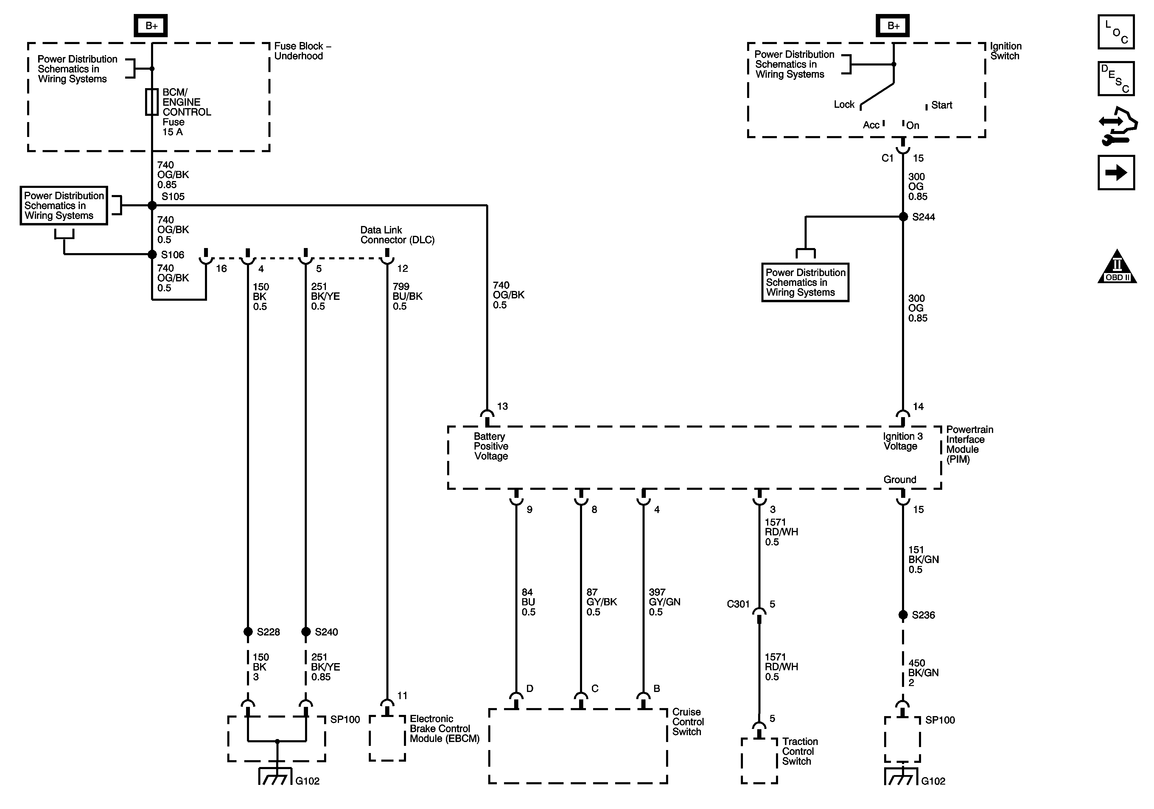
🢒 Data Link Connector - 1 of 2
Data Link Connector - 1 of 2
1 of 2
Master Electrical Component List
Data Link Communications Description and Operation
Control Module References
Data Link Connector - 2 of 2
OBD II Symbol Description Notice
ENGINE, FUEL PUMP, and BCM/ENGINE CONTROL Fuses
ENGINE, FUEL PUMP, and BCM/ENGINE CONTROL Fuses
G100, G101, SP100 and G102 1 of 5
Ignition Switch
Ignition Switch
SP100 and G102 4 of 5