GM Service Manual Online
For 1990-2009 cars only
Makes
🢒
Pontiac
🢒
2005
🢒
GTO
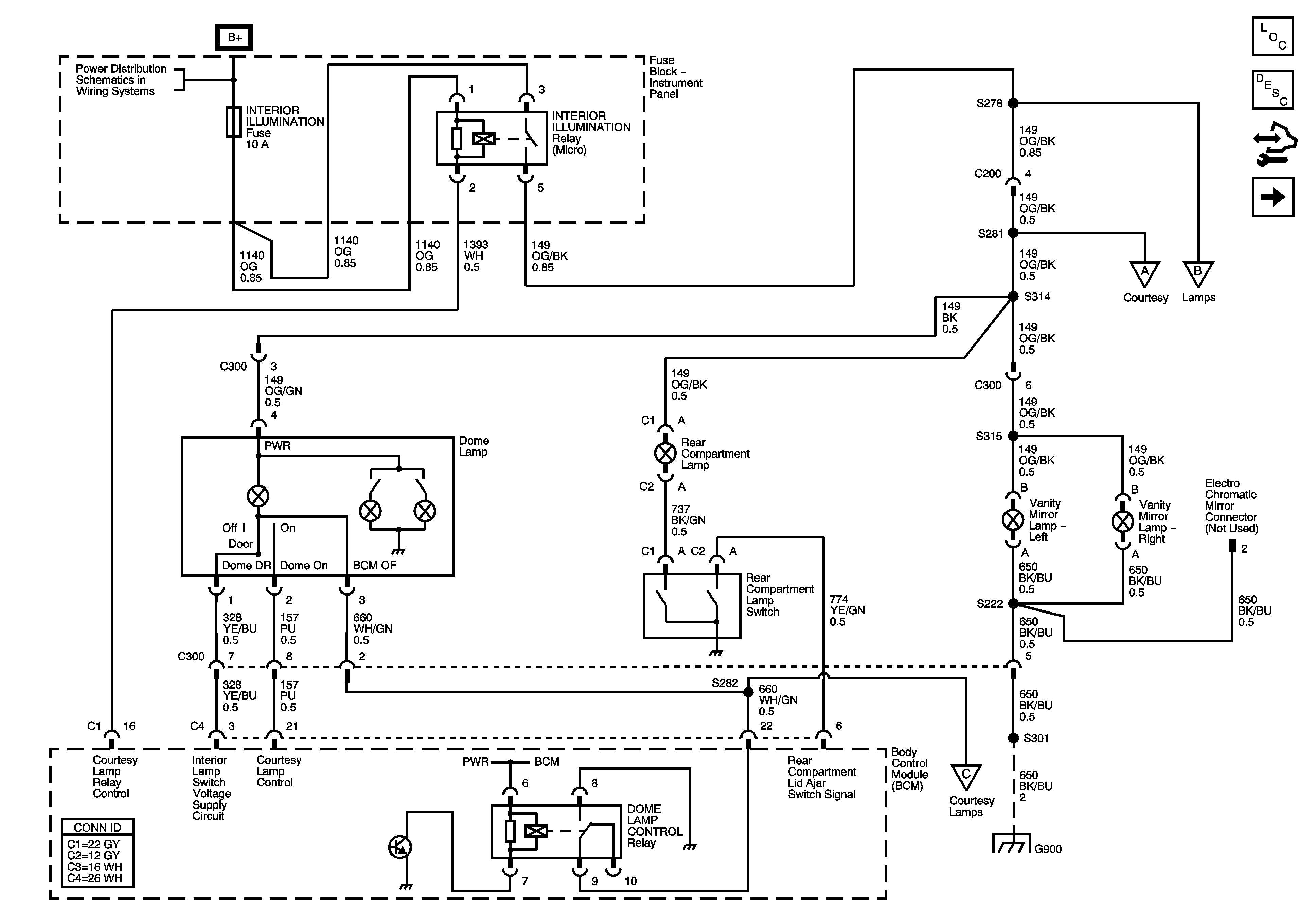
🢒 Dome Lamp
Dome Lamp
Dome Lamp
Master Electrical Component List
Interior Lighting Systems Description and Operation
Control Module References
Courtesy Lamps
PARK LAMPS, STOP LAMPS, INTERIOR ILLUMINATION, HAZARD LAMPS Fuses
G900 and G901