GM Service Manual Online
For 1990-2009 cars only
Makes
🢒
Pontiac
🢒
2005
🢒
GTO
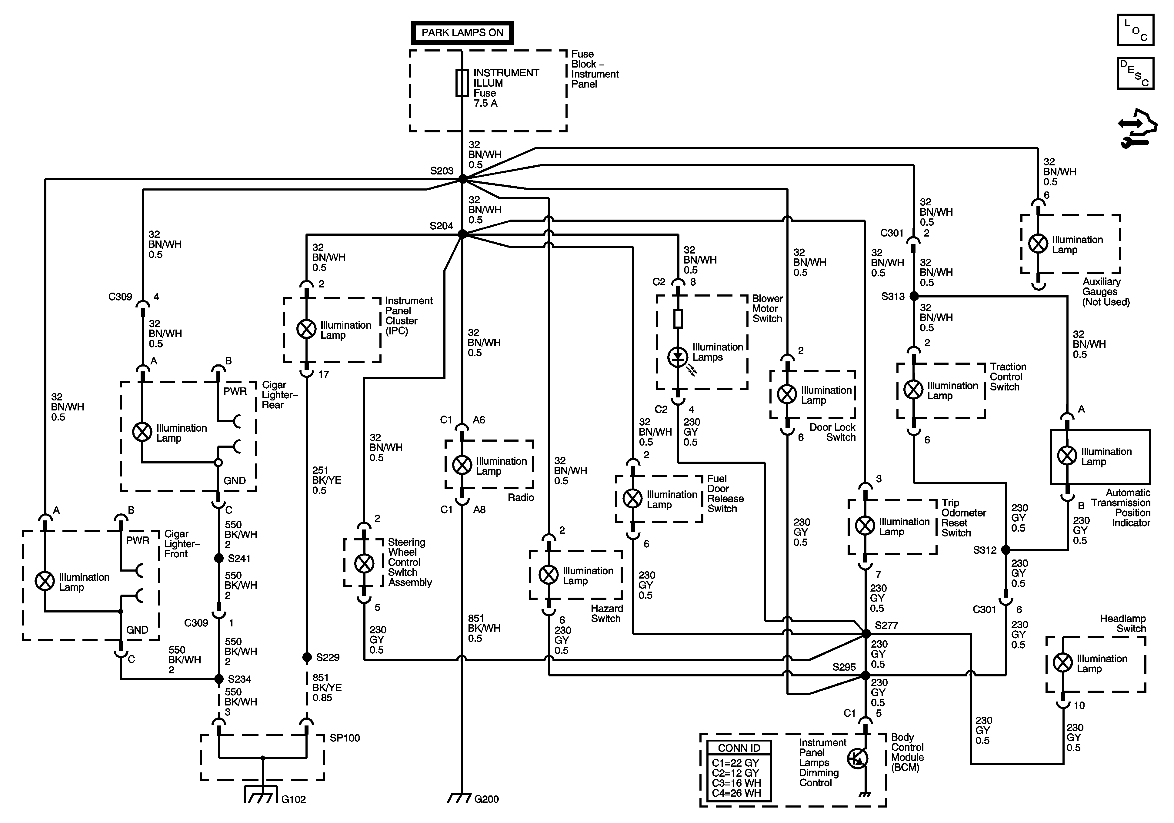
🢒 Interior Dimming Lights
Interior Dimming Lights
Master Electrical Component List
Interior Lighting Systems Description and Operation
Control Module References
SP100 and G102 3 of 5