GM Service Manual Online
For 1990-2009 cars only
Makes
🢒
Pontiac
🢒
2005
🢒
GTO
🢒 Radio and Antenna
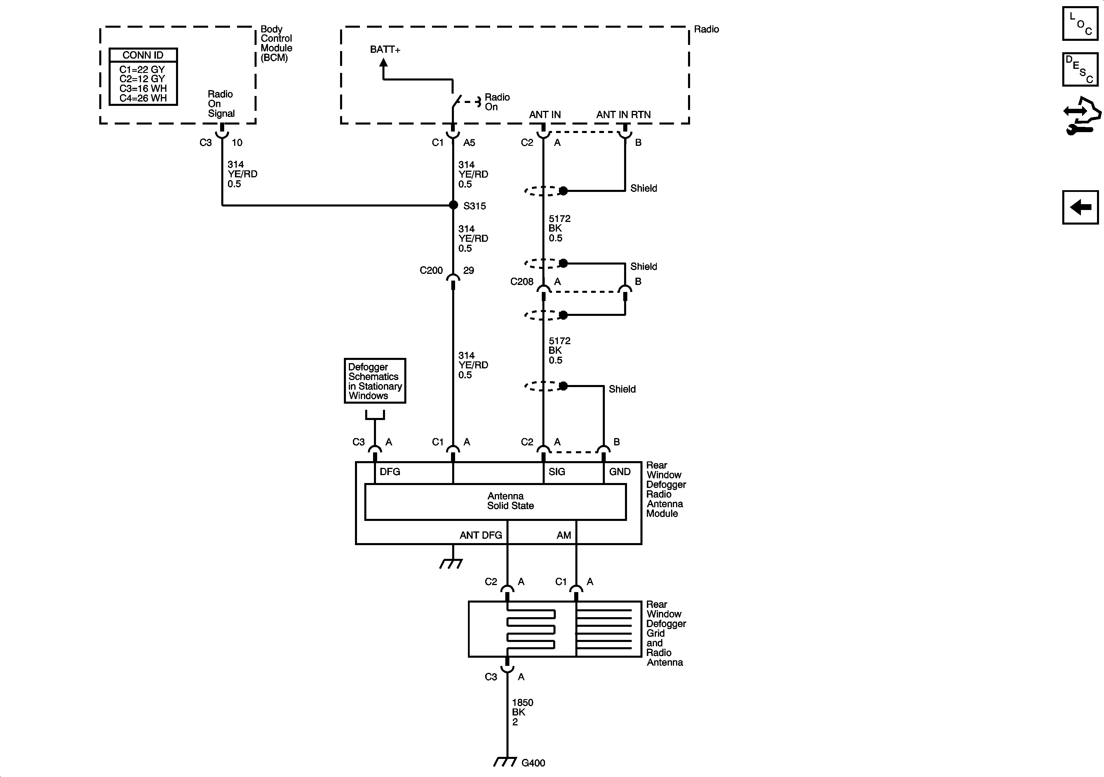
Radio and Antenna
Radio and Antenna
Master Electrical Component List
Radio/Audio System Description and Operation
Control Module References
Radio and Amplifier
Defogger