GM Service Manual Online
For 1990-2009 cars only
Makes
🢒
Pontiac
🢒
2005
🢒
GTO
🢒 Radio and Amplifier
Radio and Amplifier
Radio and Amplifier
Master Electrical Component List
Radio/Audio System Description and Operation
Control Module References
Radio and Antenna
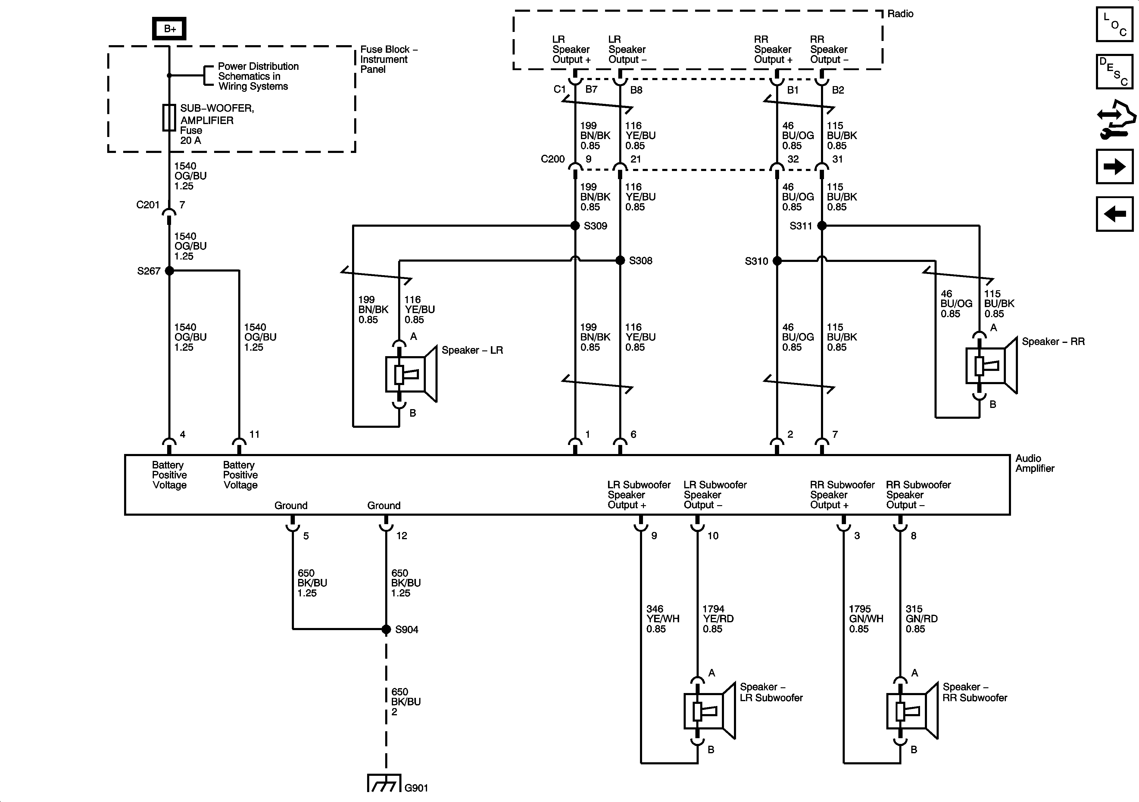
Radio and Speakers
HEATED REAR WINDOW, RADIO, CELLULAR PHONE, SUB-WOOFER, AMPLIFIER, IGNITION SWITCH and HORN Fuses
G900 and G901