GM Service Manual Online
For 1990-2009 cars only
Makes
🢒
Pontiac
🢒
2005
🢒
GTO
🢒 Steering Wheel Controls
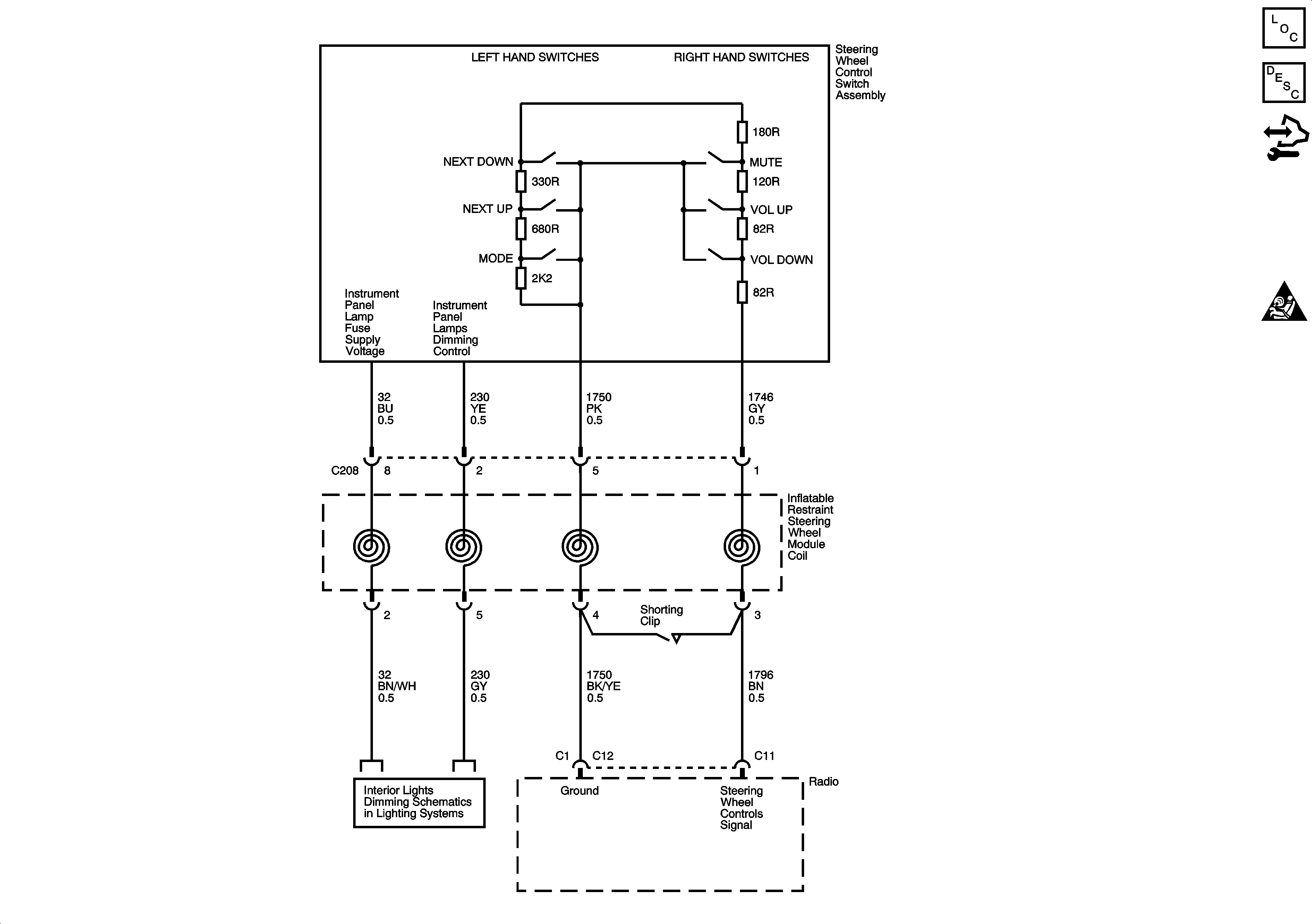
Steering Wheel Controls
Master Electrical Component List
Radio/Audio System Description and Operation
Control Module References
SIR Handling Caution
Interior Dimming Lights