GM Service Manual Online
For 1990-2009 cars only
Makes
🢒
Pontiac
🢒
1996
🢒
Grand Am
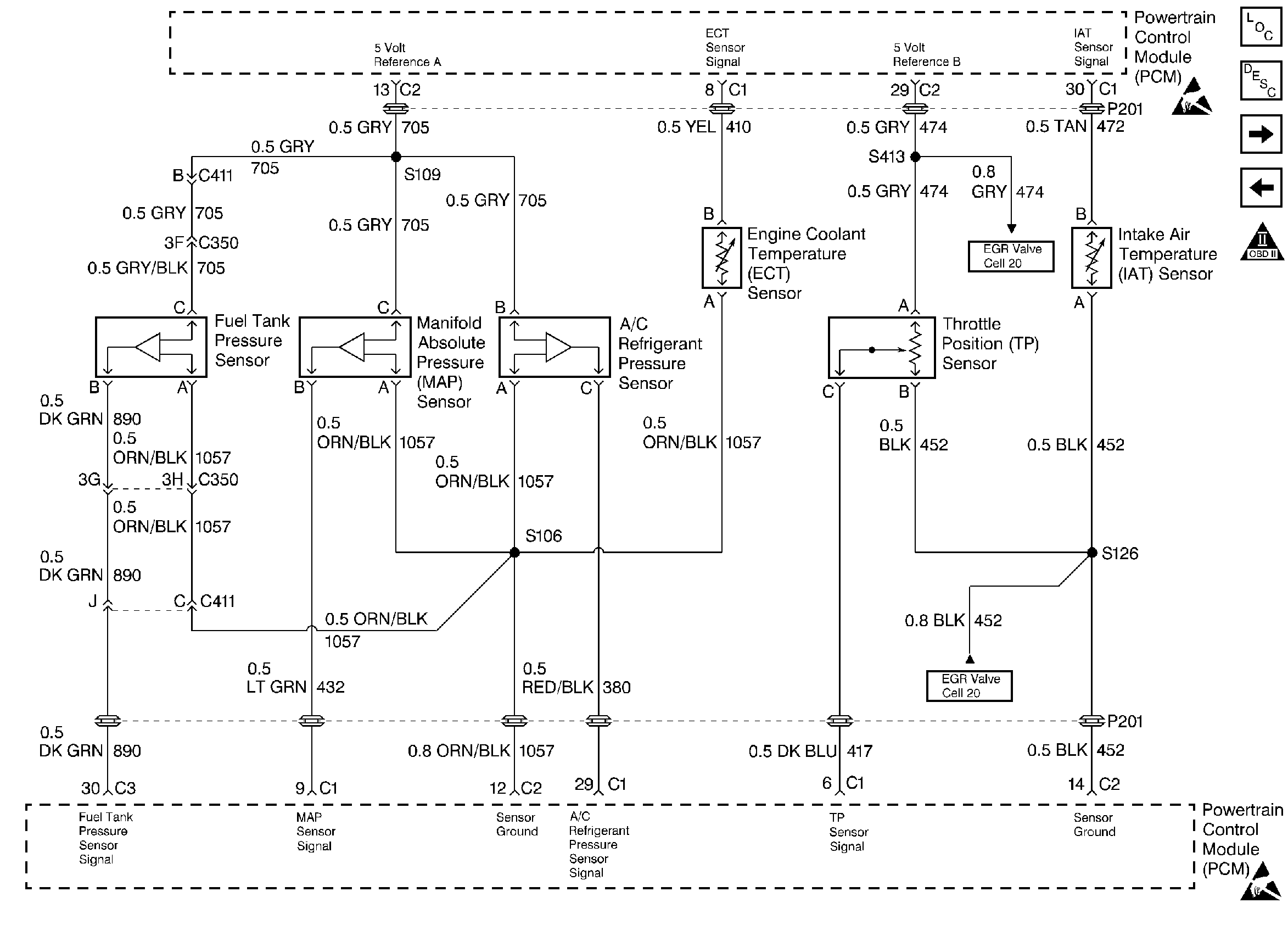
🢒 Engine Data Sensors
Engine Data Sensors
Engine Data Sensors
Engine Controls Components
Powertrain Control Module (PCM) General Description
EVAP and EGR Controls
Fuel Controls
OBD II Symbol Description Notice
Handling ESD Sensitive Parts Notice
Handling ESD Sensitive Parts Notice