GM Service Manual Online
For 1990-2009 cars only
Makes
🢒
Pontiac
🢒
1996
🢒
Grand Am
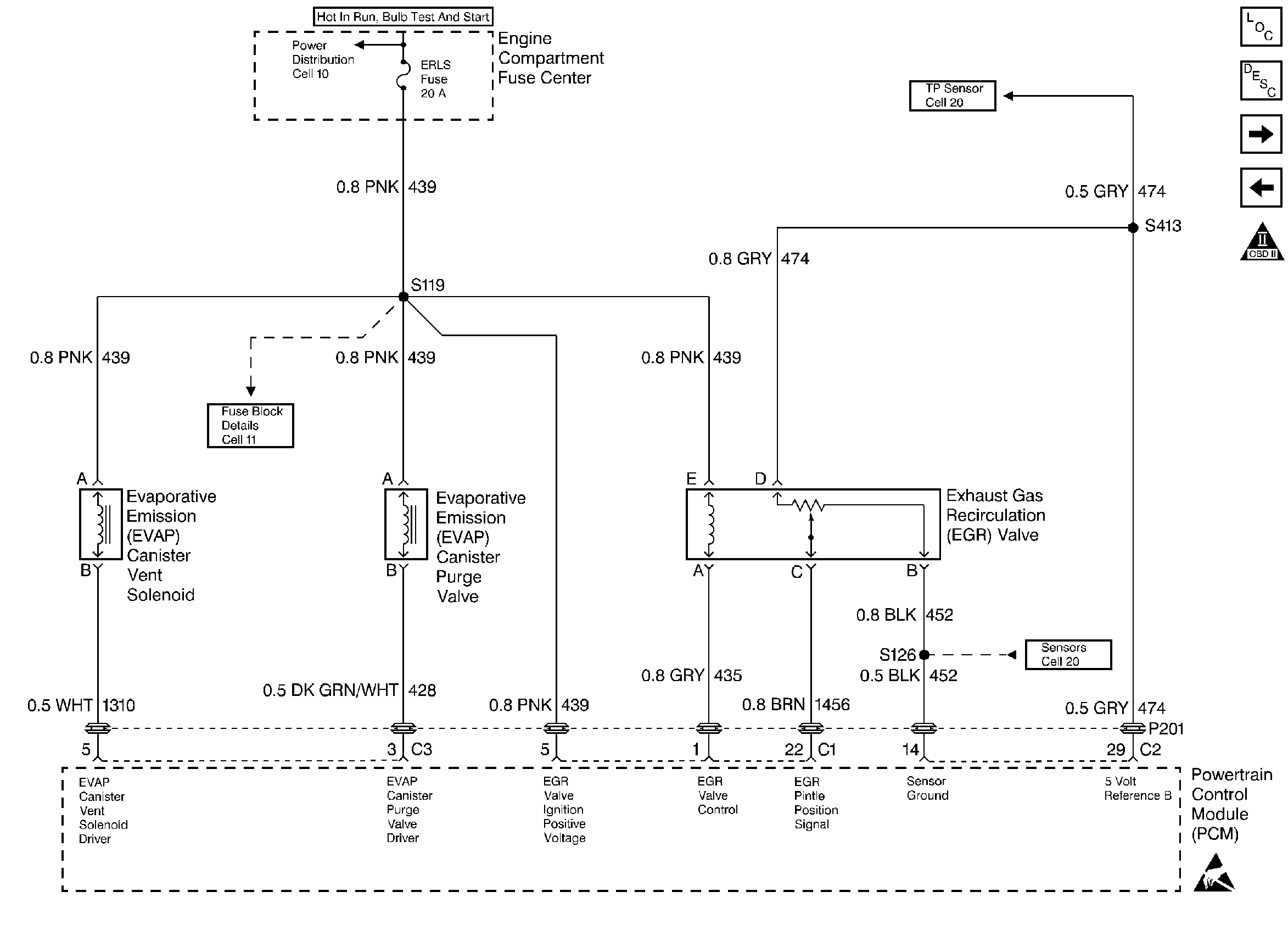
🢒 EVAP and EGR Controls
EVAP and EGR Controls
EVAP and EGR Controls
Engine Controls Components
Powertrain Control Module (PCM) General Description
Oxygen Sensors
Engine Data Sensors
OBD II Symbol Description Notice
Handling ESD Sensitive Parts Notice