GM Service Manual Online
For 1990-2009 cars only

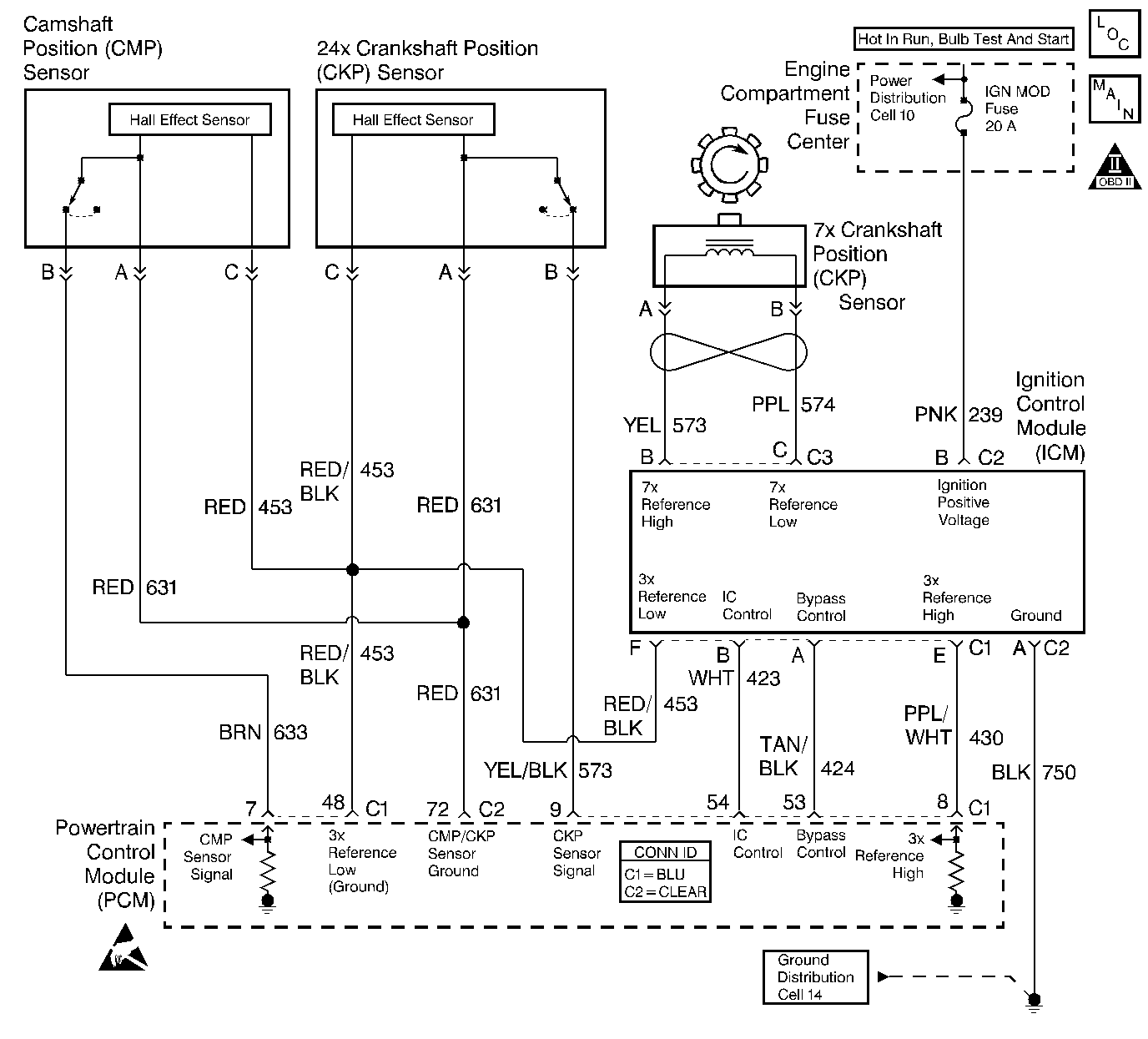
Object Number: 220484  Size: LF
Engine Controls Components
Ignition Controls
OBD II Symbol Description Notice
Handling ESD Sensitive Parts Notice

Circuit Description

The crankshaft position system variation learning feature is used to calculate reference period errors caused by slight tolerance variations in the crankshaft, the crankshaft balancer interrupter rings, and the crankshaft position sensor hall effect switches. The calculated error allows the PCM to accurately compensate for reference period variations. The crankshaft position system variation learning feature enhances the ability of the PCM to detect misfire events over a wider range of engine speed and load.

The crankshaft position system variation values are stored in the PCM non-volatile memory after the crankshaft position system variation learn procedure has been performed. DTC P1336 set indicates that the crankshaft position system variation values have not been stored in the PCM and the crankshaft position system variation learn procedure must be performed. The learn procedure is required after the following service procedures have been performed, regardless of whether or not DTC P1336 is set:

    •  PCM replacement.
    •  Engine replacement.
    •  Crankshaft replacement.
    •  Crankshaft balancer replacement.
    •  Crankshaft position sensor replacement.
    •  Any engine repair(s) which disturbs crankshaft/harmonic balancer to crankshaft position sensor relationship.

Conditions for Running the DTC

    •  No CMP or CKP sensor DTC(s) set.
    •  Engine Coolant Temperature is greater than 70°C (158°F).

Conditions for Setting the DTC

Crankshaft position system variation values are not stored in the PCM memory.

Action Taken When the DTC Sets

    • The PCM will illuminate the malfunction indicator lamp (MIL) during the first trip in which the diagnostic test has been run and failed.
    • The PCM will store conditions which were present when the DTC set as Freeze Frame and Failure Records data.

Conditions for Clearing the MIL/DTC

    • The PCM will turn OFF the MIL during the third consecutive trip in which the diagnostic has been run and passed.
    • The History DTC will clear after 40 consecutive warm-up cycles have occurred without a malfunction.
    • The DTC can be cleared by using the scan tool.

Diagnostic Aids

The crankshaft position system variation compensating values are stored in the PCM non-volatile memory after a learn procedure has been performed. If the actual crankshaft position variation is no within the crankshaft position system variation compensating values stored in the PCM, DTC P0300 may set.

The crankshaft position system variation learn procedure must be performed when replacing the PCM to clear DTC P1336. The crankshaft position system variation learn procedure is also required when the following service procedures have been performed, regardless of whether or not DTC P1336 is set:

    •  Engine replacement.
    •  Crankshaft replacement.
    •  Crankshaft balancer replacement.
    •  Crankshaft position sensor replacement.
    •  Any engine repair(s) which disturbs crankshaft/harmonic balancer to crankshaft position sensor relationship.

If the crankshaft position system variation learn procedure cannot be performed successfully, check for the following conditions and correct as necessary:

    •  Engine coolant temperature below 70°C (158°F).
         Allow the engine to warm to above 70°C (158°F).
    •  Powertrain DTC(s) set.
         The scan tool crankshaft position system variation learn function will be disabled if any Powertrain DTCs other than DTC P1336 are stored.
    •  Camshaft position signal problem detected.
         Refer to DTC P0341 Camshaft Position (CMP) Sensor Performance .
    •  3X reference signal problem detected.
         Refer to DTC P1374 Crankshaft Position (CKP) High to Low Resolution Frequency Correlation .
    •  24X reference signal problem detected.
         Refer to DTC P0336 Crankshaft Position (CKP) Sensor Circuit .

DTC P1336 - Crankshaft Position System Variation Not Learned

Step

Action

Value(s)

Yes

No

1

Was the Powertrain On-Board Diagnostic (OBD) System Check performed?

--

Go to Step 2

Go to Powertrain On Board Diagnostic (OBD) System Check

2

Perform the crankshaft position system variation learn procedure. Refer to Crankshaft Position System Variation Learn .

Is the action complete?

--

System OK

--