GM Service Manual Online
For 1990-2009 cars only
Makes
🢒
Pontiac
🢒
1999
🢒
Grand Am
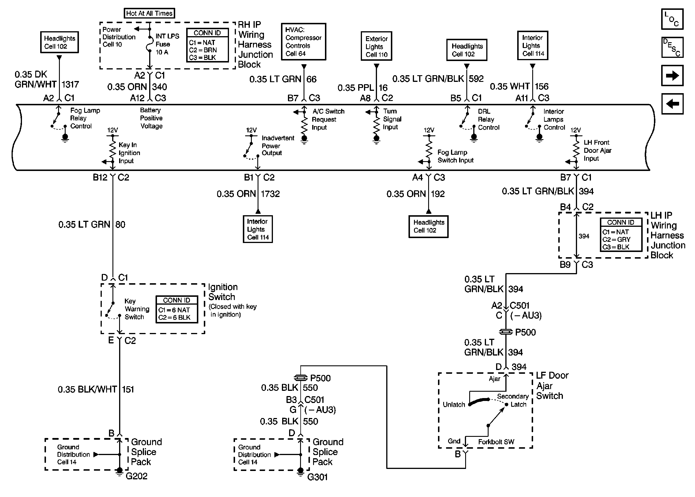
🢒 Cell 133: Ignition Switch and Left Front Door Ajar Switch
Cell 133: Ignition Switch and Left Front Door Ajar Switch
Cell 133: Ignition Switch and Left Front Door Ajar Switch
Theft Deterrent System Components
Content Theft Deterrent (CTD) Circuit Description
Cell 133: RFA, Right Rear, Left Rear and Right Front Door Ajar Switc
Cell 133: SDM, Washer Solvent Lever Sensor, Seat Belt Switch . . .
Power Distribution Schematics
Ground Distribution Schematics
Ground Distribution Schematics
HVAC Compressor Control Schematics
Exterior Lights Schematics
Headlights/Daytime Running Lights (DRL) Schematics
Headlights/Daytime Running Lights (DRL) Schematics
Interior Lights Schematics
Interior Lights Schematics