GM Service Manual Online
For 1990-2009 cars only
Makes
🢒
Pontiac
🢒
1999
🢒
Grand Am
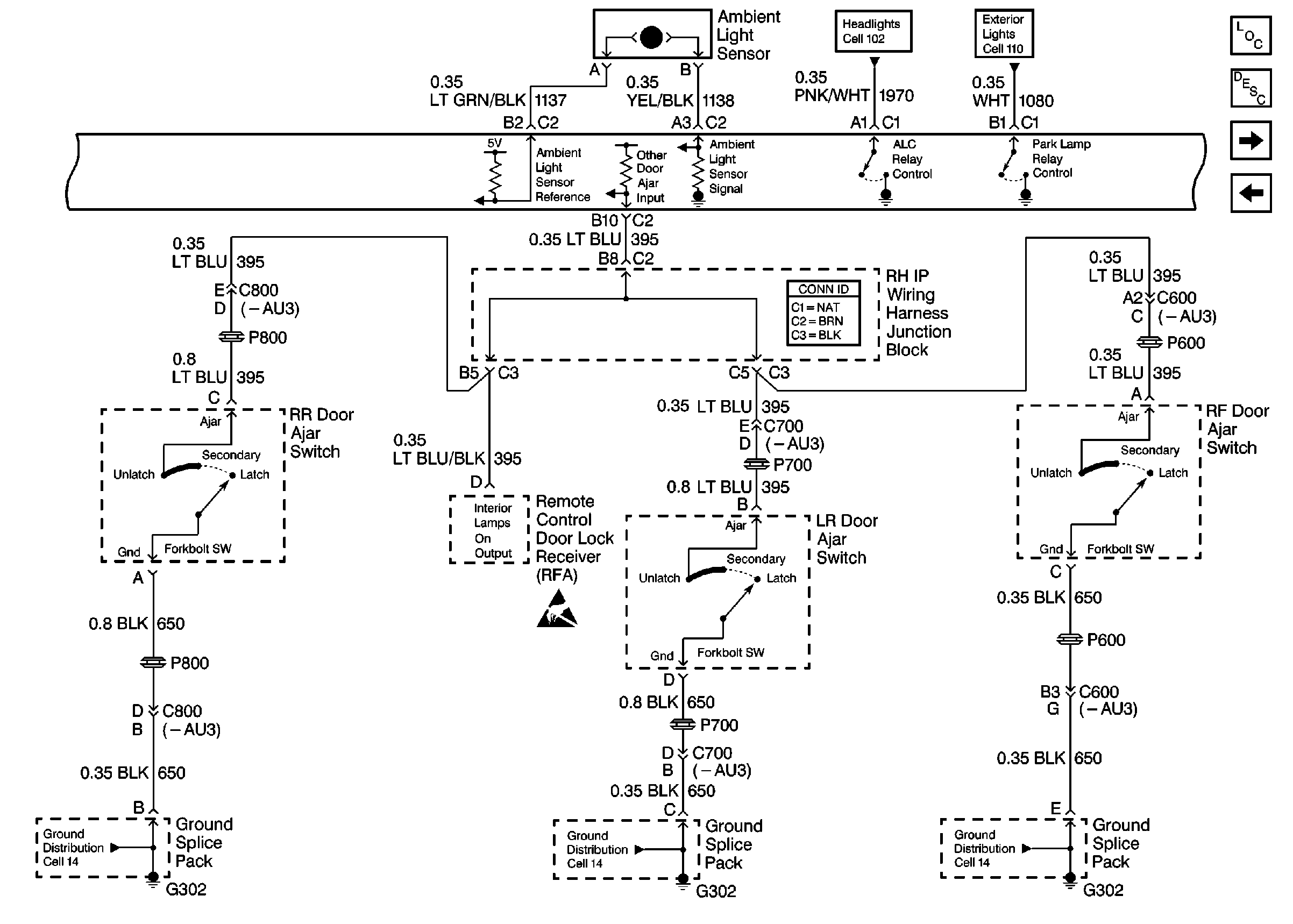
🢒 Cell 133: RFA, Right Rear, Left Rear and Right Front Door Ajar Switc
Cell 133: RFA, Right Rear, Left Rear and Right Front Door Ajar Switc
Cell 133: Remote Control Door Lock Receiver and Right Rear, Left Rear, Right Front Door Ajar Switches
Theft Deterrent System Components
Content Theft Deterrent (CTD) Circuit Description
Cell 133: Fuel Tank Module, Instrument Cluster and Passlock Cylinder
Cell 133: Ignition Switch and Left Front Door Ajar Switch
Handling ESD Sensitive Parts Notice
Headlights/Daytime Running Lights (DRL) Schematics
Exterior Lights Schematics
Ground Distribution Schematics
Ground Distribution Schematics
Ground Distribution Schematics