GM Service Manual Online
For 1990-2009 cars only
Makes
🢒
Pontiac
🢒
1999
🢒
Grand Am
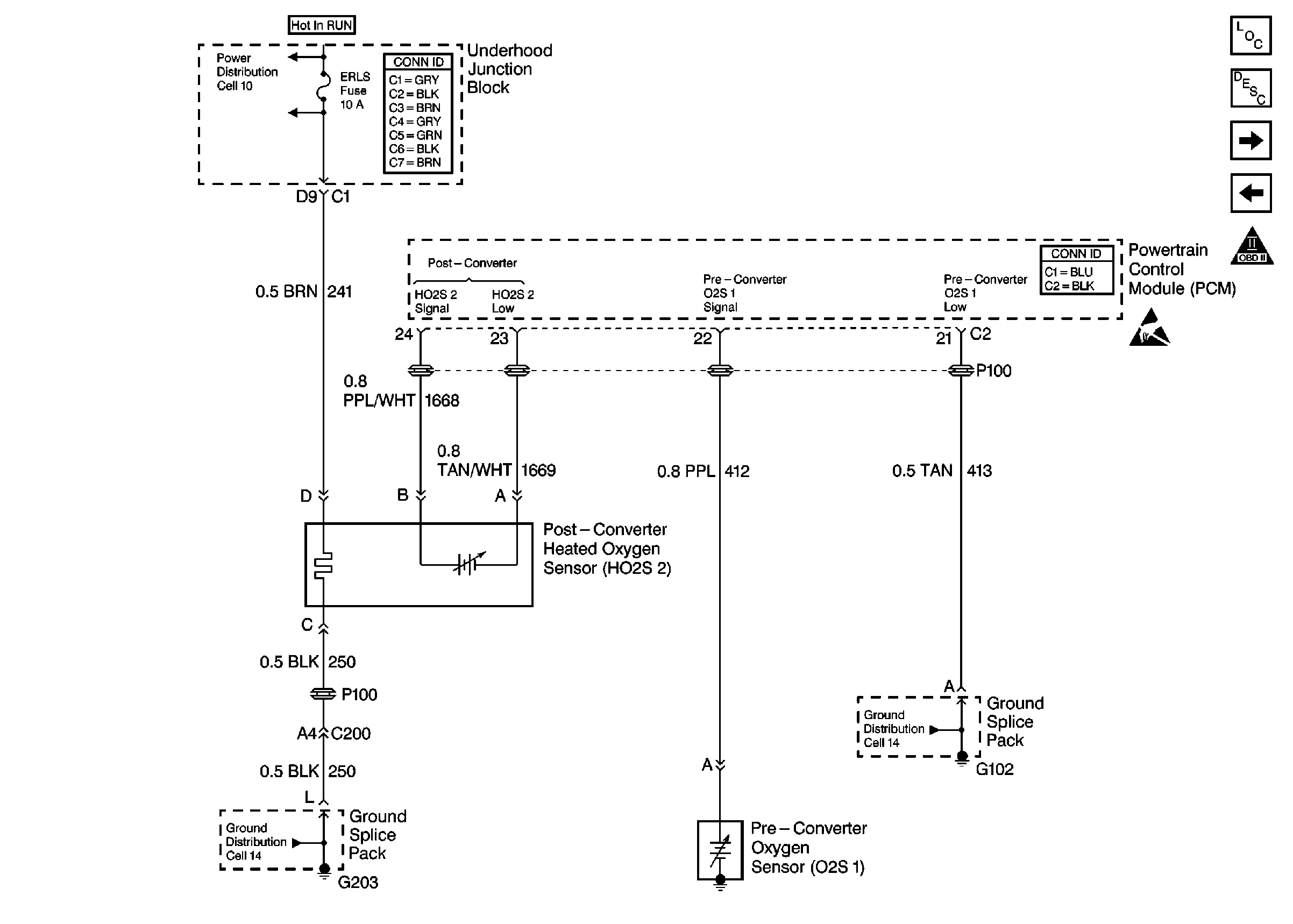
🢒 Cell 23: Oxygen Sensors
Cell 23: Oxygen Sensors
Cell 23: Oxygen Sensors
Engine Controls Components
Information Sensors/Switches Description
Cell 23: IAC Valve, Generator, TR and Oil Switches
Cell 23: EVAP and EGR Controls
OBDII Symbol Description Notice
Handling Electrostatic Discharge Sensitive Parts Notice
Cell 10: HTR A/C IGN, ERLS Fuses
Power and Grounding Connector End Views
Power and Grounding Connector End Views
Cell 14: G102 and G104
Cell 14: G203