GM Service Manual Online
For 1990-2009 cars only
Makes
🢒
Pontiac
🢒
2000
🢒
Grand Am
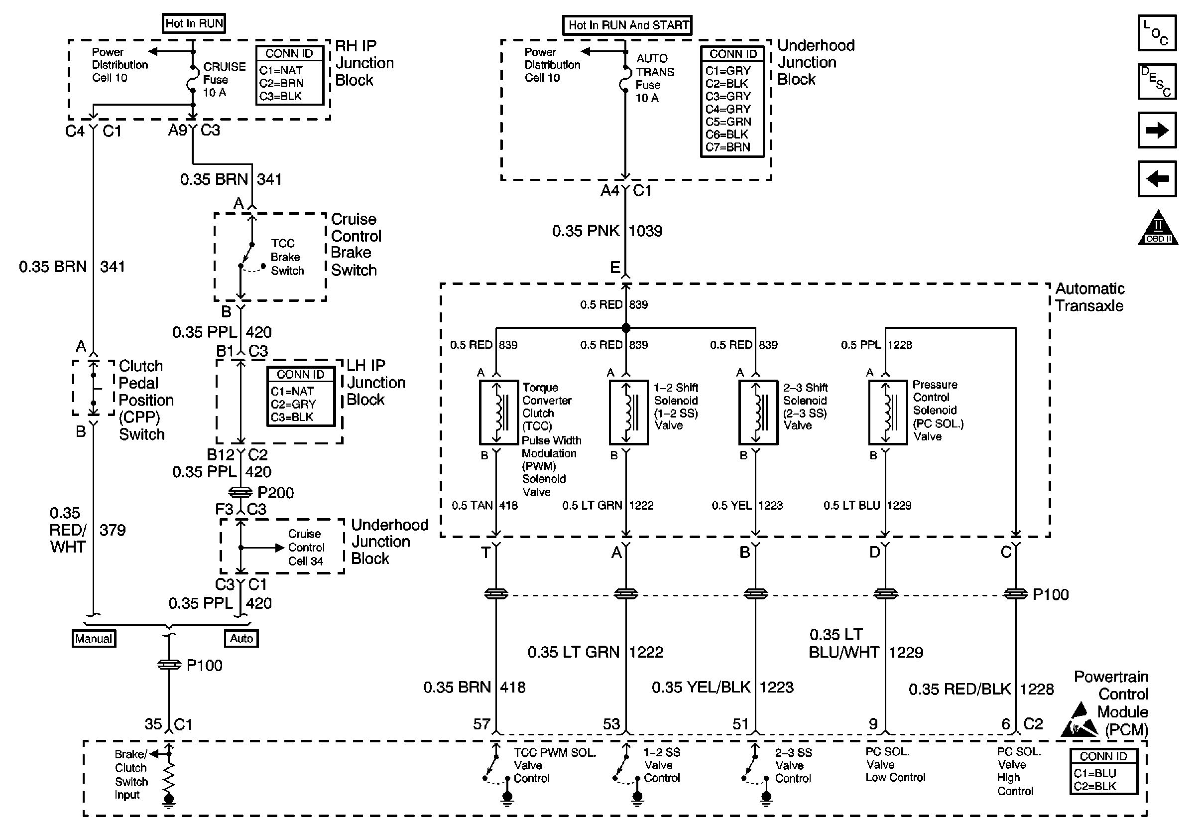
🢒 Power, Ground, CPP, AT, and Cruise Control Brake Switch
Power, Ground, CPP, AT, and Cruise Control Brake Switch
Power, Ground, CPP, AT, and Cruise Control Brake Switch
Engine Controls Components
Powertrain Control Module Description
Automatic Transaxle
Cruise Control Module, and VSS
OBD II Symbol Description Notice
Handling ESD Sensitive Parts Notice
Power Distribution Schematics
Power Distribution Schematics
Cruise Control Schematics