GM Service Manual Online
For 1990-2009 cars only
Makes
🢒
Pontiac
🢒
2000
🢒
Grand Am
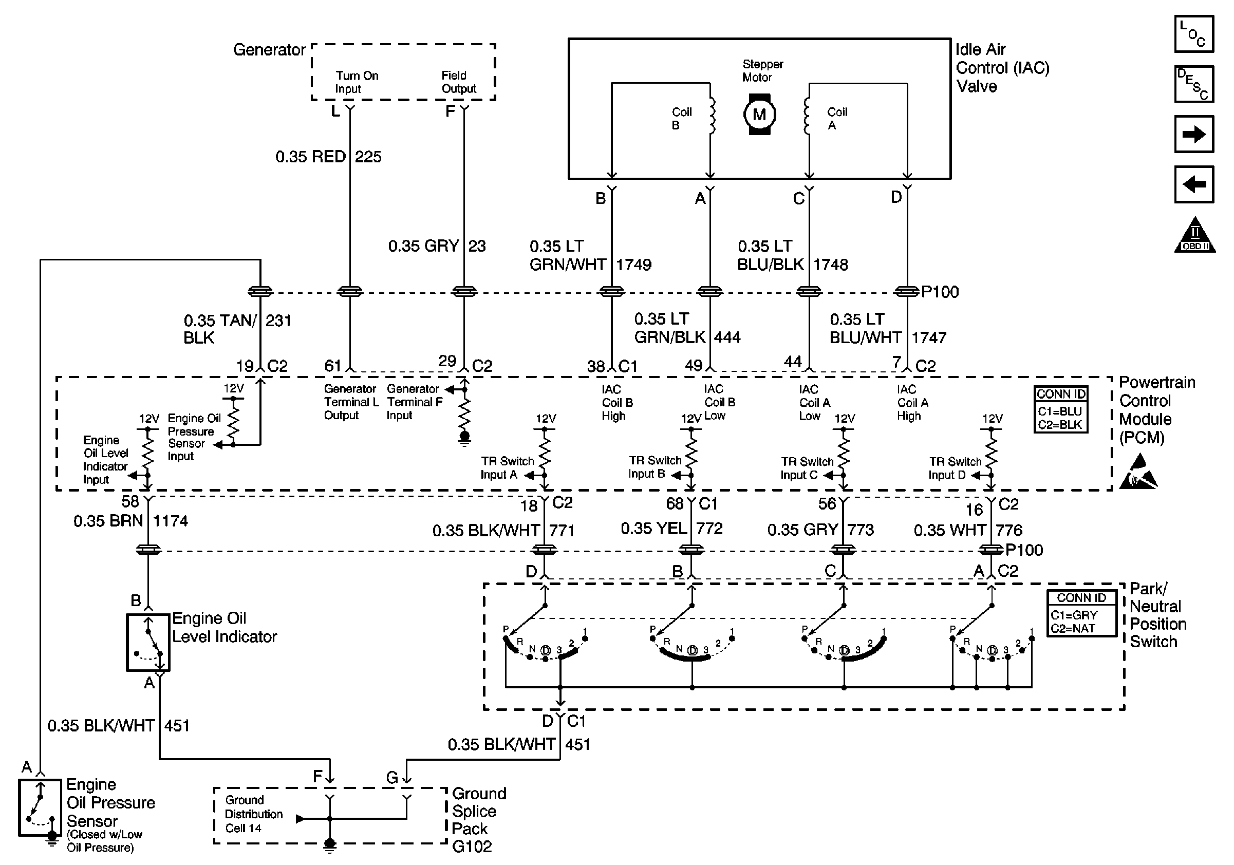
🢒 Generator, PNP, Oil Indicators, and IAC
Generator, PNP, Oil Indicators, and IAC
Generator, PNP, Oil Indicators, and IAC
Engine Controls Components
Powertrain Control Module Description
Power, Ground, and Automatic Transaxle
Power, Ground, MAF, EVAP, and EGR
OBD II Symbol Description Notice
Handling ESD Sensitive Parts Notice
Ground Distribution Schematics