GM Service Manual Online
For 1990-2009 cars only
Makes
🢒
Pontiac
🢒
2000
🢒
Grand Am
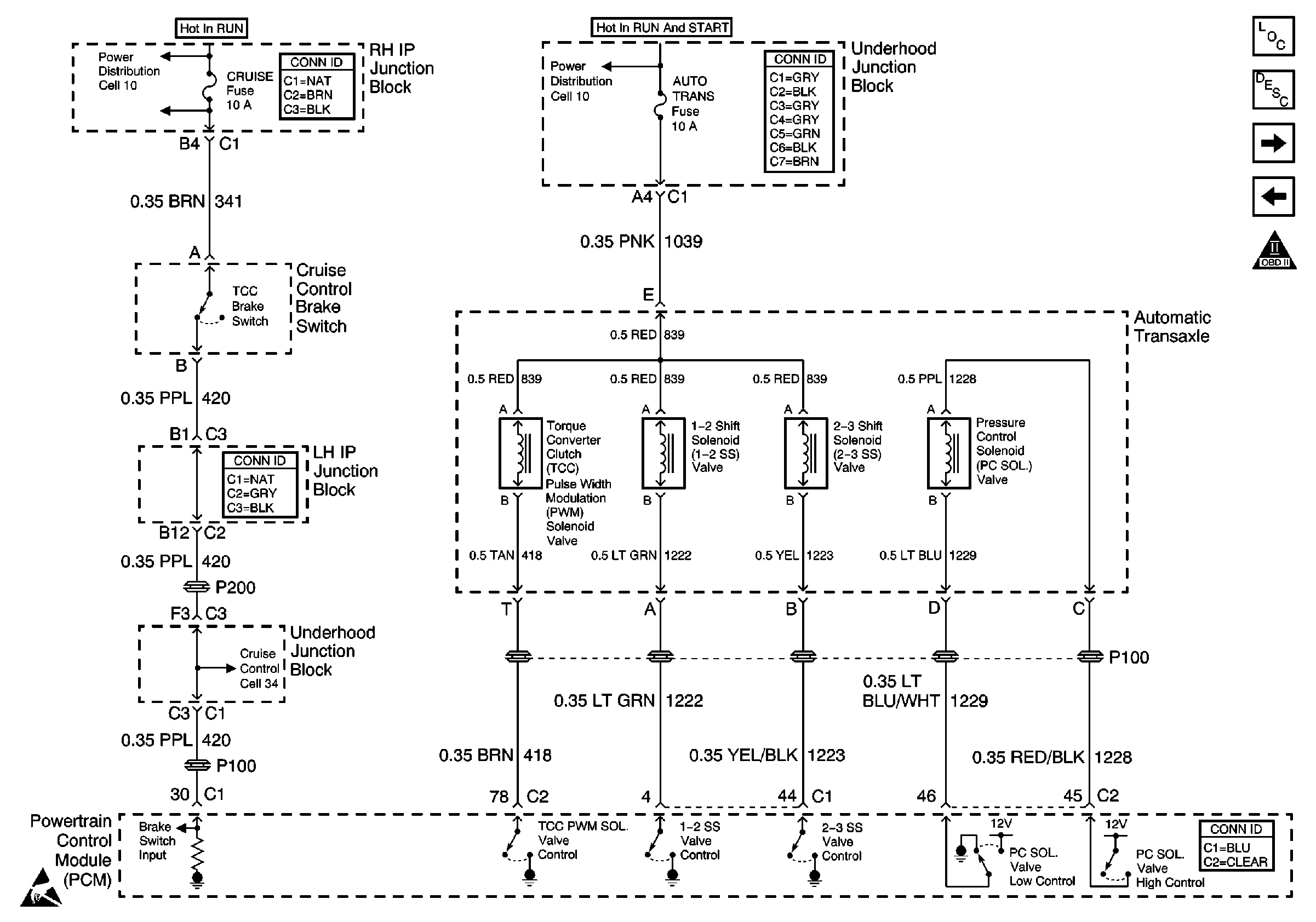
🢒 Power, Ground, and Automatic Transaxle
Power, Ground, and Automatic Transaxle
Power, Ground, and Automatic Transaxle
Engine Controls Components
Powertrain Control Module Description
Automatic Transaxle
Generator, PNP, Oil Indicators, and IAC
OBD II Symbol Description Notice
Handling ESD Sensitive Parts Notice
Power Distribution Schematics
Power Distribution Schematics
Cruise Control Schematics