GM Service Manual Online
For 1990-2009 cars only
Makes
🢒
Pontiac
🢒
2001
🢒
Grand Am
🢒
Body and Accessories
🢒
Wiring Systems
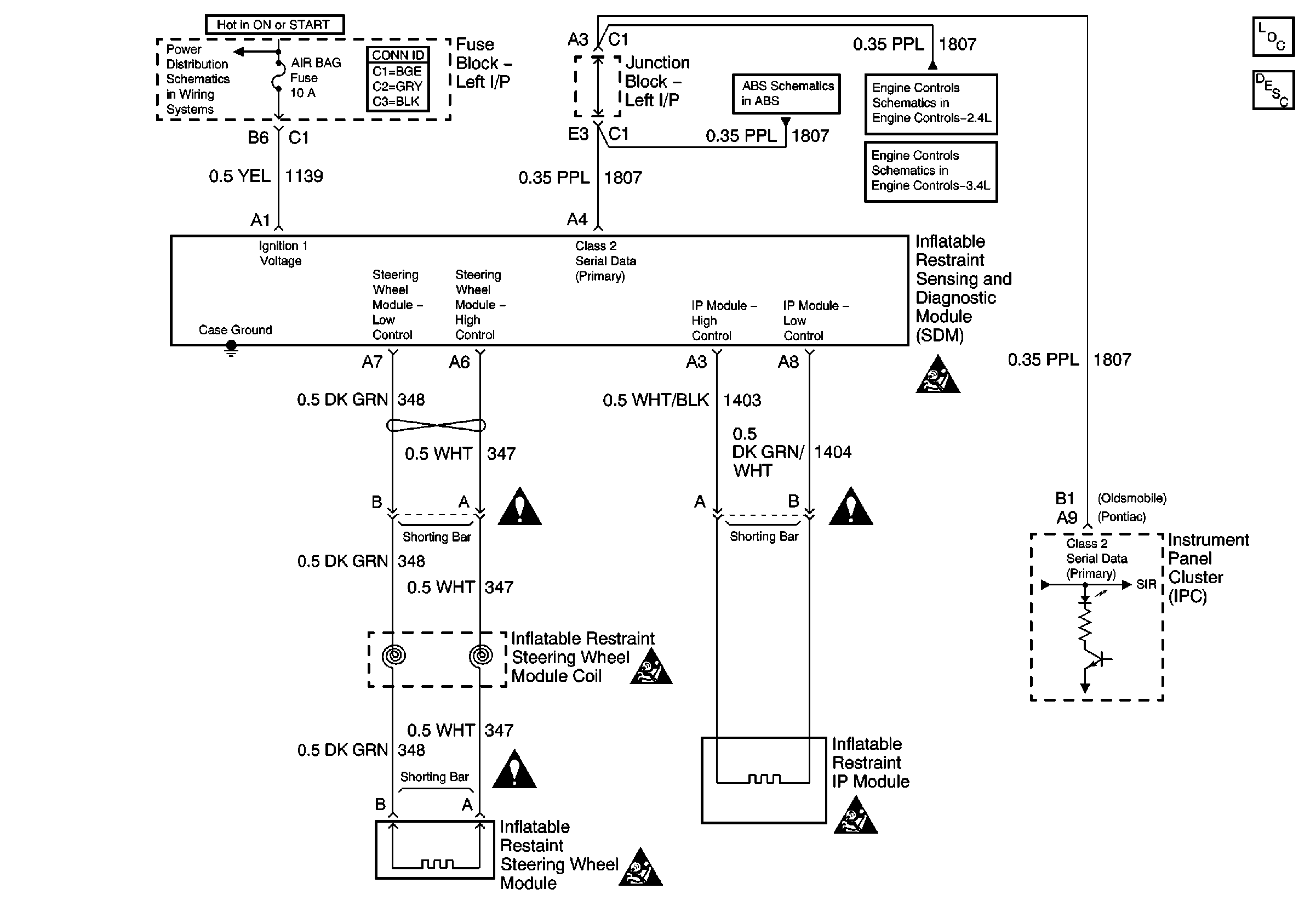
🢒 SIR Schematics
Master Electrical Component List
SIR System Description and Operation
Brake Switch and Fault Indicators
IGN SW-BATT2, WIPER, AIR BAG, TURN LPS, IGN MOD, BU LMP, PCM IGN, F/PINJR, A/C BFC, AUTO TRANS, ABS, IGN Fuses