GM Service Manual Online
For 1990-2009 cars only
Makes
🢒
Pontiac
🢒
2001
🢒
Grand Am
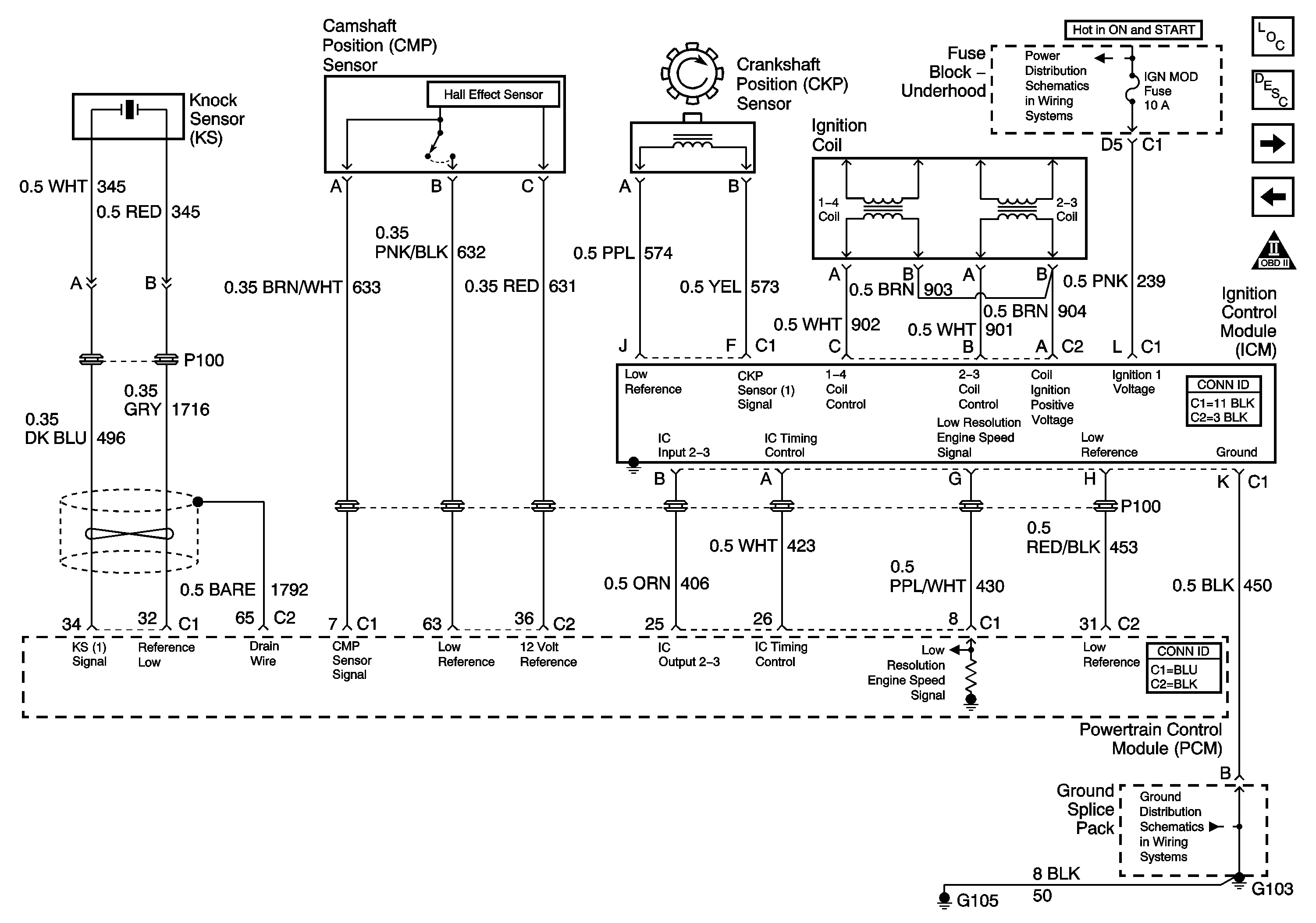
🢒 Power, Ground, KS, CMP, CKP Coils, and ICM
Power, Ground, KS, CMP, CKP Coils, and ICM
Power, Ground, KS, CMP, CKP Coils, and ICM
Master Electrical Component List
Powertrain Control Module Description
Power, Ground, and Injectors
Power, Ground, MIL, and DLC
OBD II Symbol Description Notice
G103 and G105
IGN SW-BATT2, WIPER, AIR BAG, TURN LPS, IGN MOD, BU LMP, PCM IGN, F/PINJR, A/C BFC, AUTO TRANS, ABS, IGN Fuses