GM Service Manual Online
For 1990-2009 cars only
Makes
🢒
Pontiac
🢒
2001
🢒
Grand Am
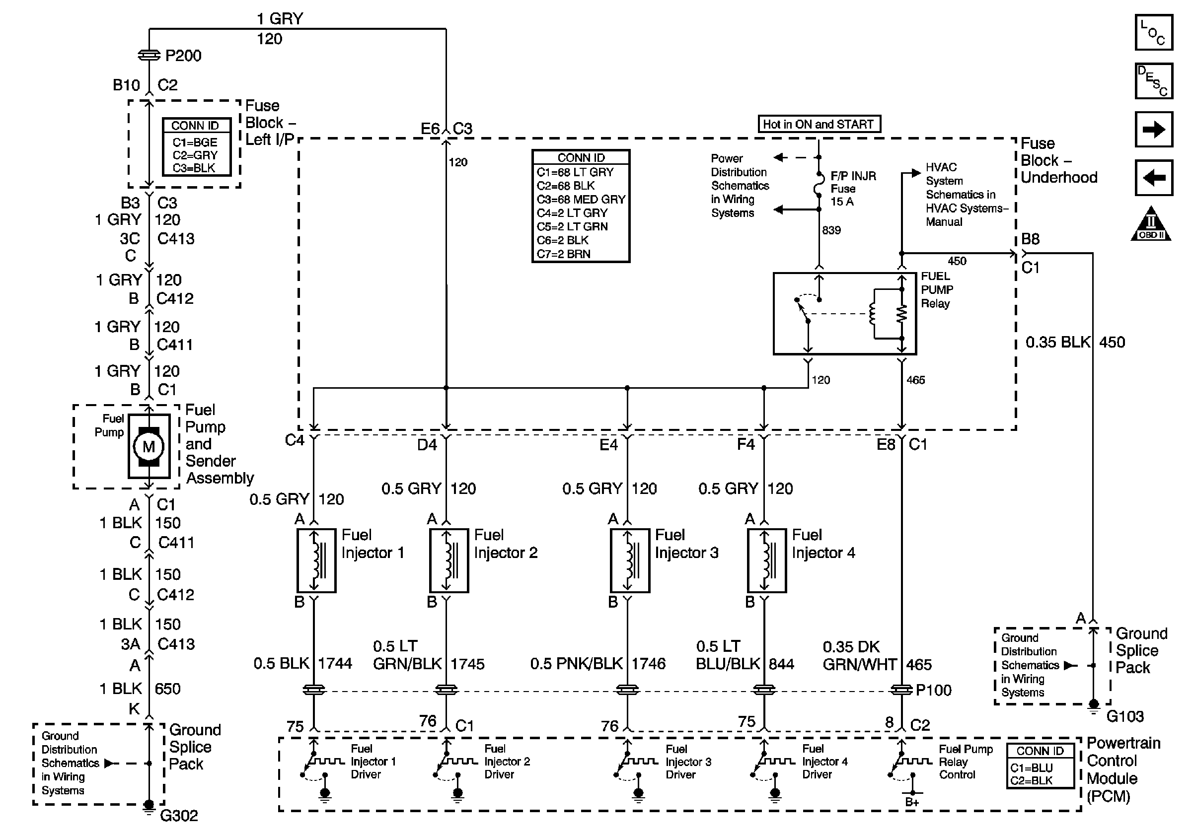
🢒 Power, Ground, and Injectors
Power, Ground, and Injectors
Power, Ground, and Injectors
Master Electrical Component List
Powertrain Control Module Description
Engine Data Sensors
Power, Ground, KS, CMP, CKP Coils, and ICM
OBD II Symbol Description Notice
G103 and G105
Compressor Controls
IGN SW-BATT2, WIPER, AIR BAG, TURN LPS, IGN MOD, BU LMP, PCM IGN, F/PINJR, A/C BFC, AUTO TRANS, ABS, IGN Fuses