GM Service Manual Online
For 1990-2009 cars only
Makes
🢒
Pontiac
🢒
2001
🢒
Grand Am
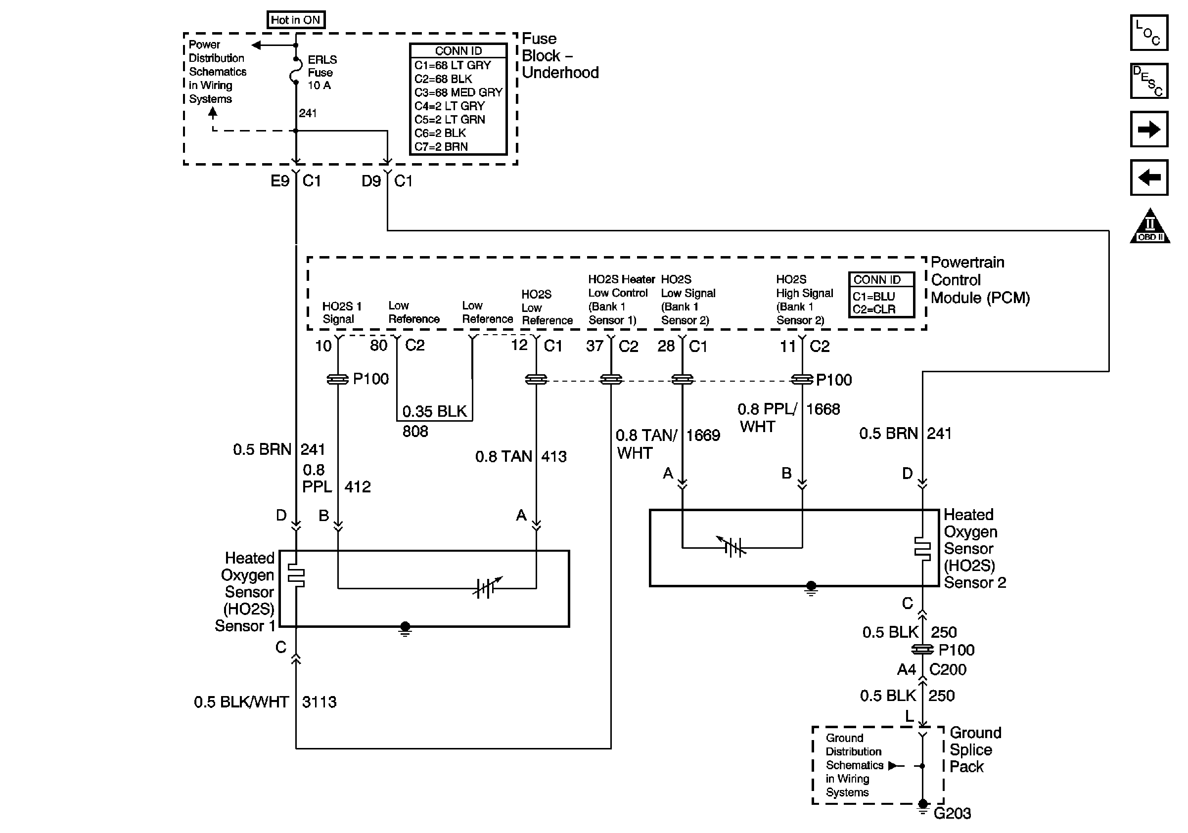
🢒 HO2S 1 and HO2S 2
HO2S 1 and HO2S 2
HO2S 1 and HO2S 2
Master Electrical Component List
Powertrain Control Module Description
Generator, PNP, Oil, Indicators, and IAC
Power, Ground, MAF, EVAP, and EGR
OBD II Symbol Description Notice
G203
IGN SW-BATT 1, HTR A/C IGN, ERLS, PCM, ACC, IPC/BFC Fuses