GM Service Manual Online
For 1990-2009 cars only
Makes
🢒
Pontiac
🢒
2001
🢒
Grand Am
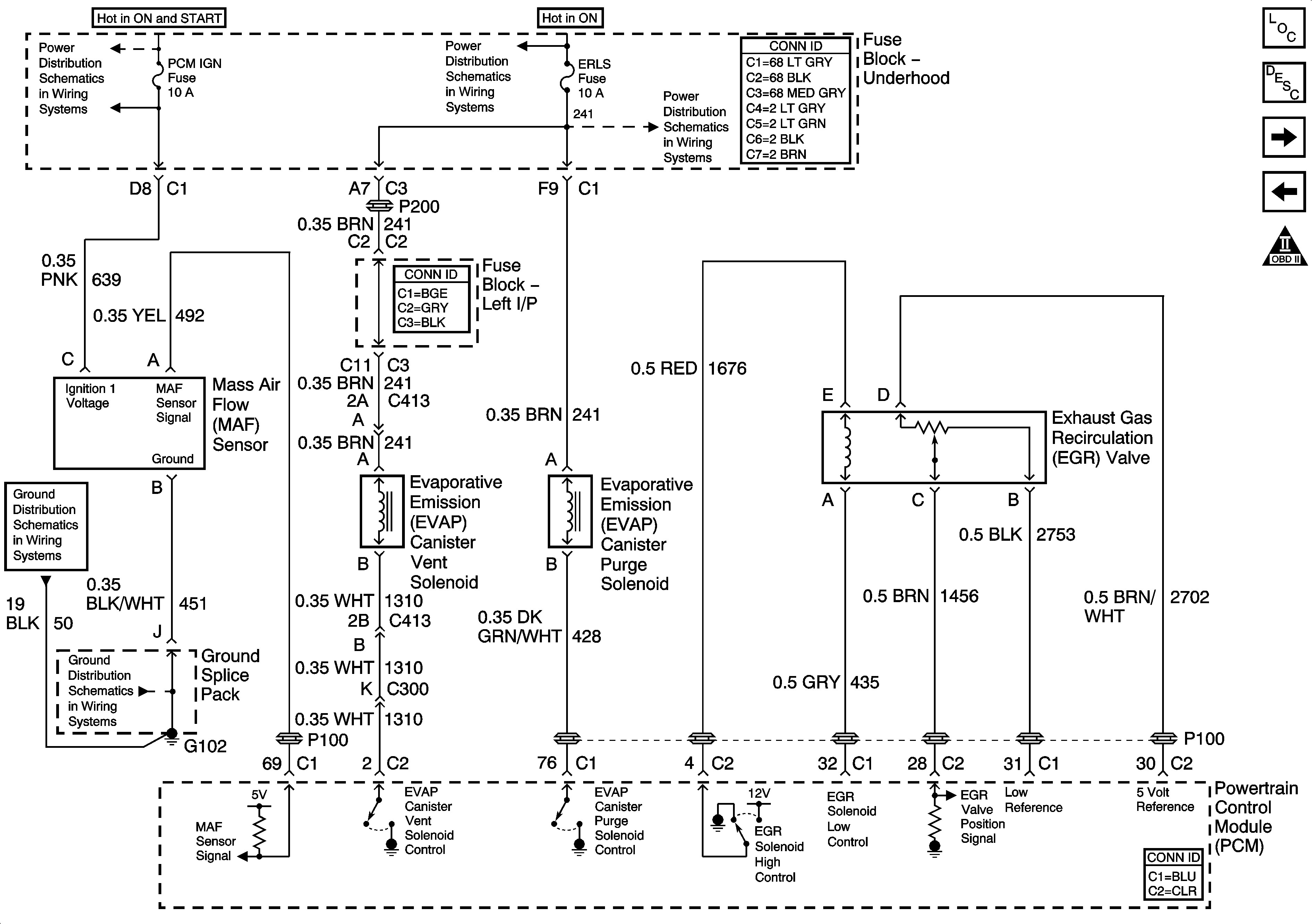
🢒 Power, Ground, MAF, EVAP, and EGR
Power, Ground, MAF, EVAP, and EGR
Power, Ground, MAF, EVAP, and EGR
Master Electrical Component List
Powertrain Control Module Description
HO2S 1 and HO2S 2
Engine Data Sensors
OBD II Symbol Description Notice
IGN SW-BATT 1, HTR A/C IGN, ERLS, PCM, ACC, IPC/BFC Fuses
IGN SW-BATT 1, HTR A/C IGN, ERLS, PCM, ACC, IPC/BFC Fuses
IGN SW-BATT2, WIPER, AIR BAG, TURN LPS, IGN MOD, BU LMP, PCM IGN, F/PINJR, A/C BFC, AUTO TRANS, ABS, IGN Fuses
G102 and G104
G102 and G104