GM Service Manual Online
For 1990-2009 cars only
Makes
🢒
Pontiac
🢒
2001
🢒
Grand Am
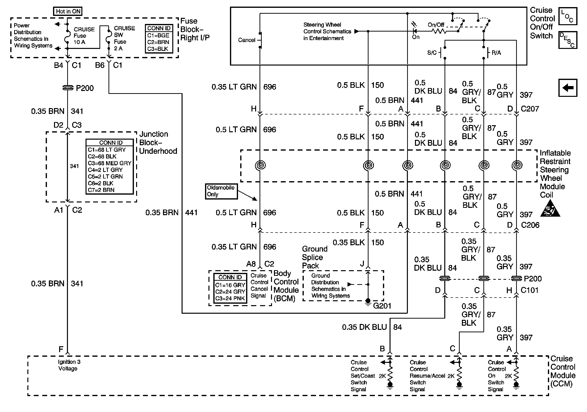
🢒 Cruise Control Switch
Cruise Control Switch
Cruise Control Switch
Master Electrical Component List
Cruise Control Description and Operation
Cruise Control Module
Steering Wheel Controls Schematics
G201
PWR WNDWS Circuit Breaker, CRUISE SW, Cruise, SUNROOF, HVAC BLOWERFuses