GM Service Manual Online
For 1990-2009 cars only
Makes
🢒
Pontiac
🢒
2001
🢒
Grand Am
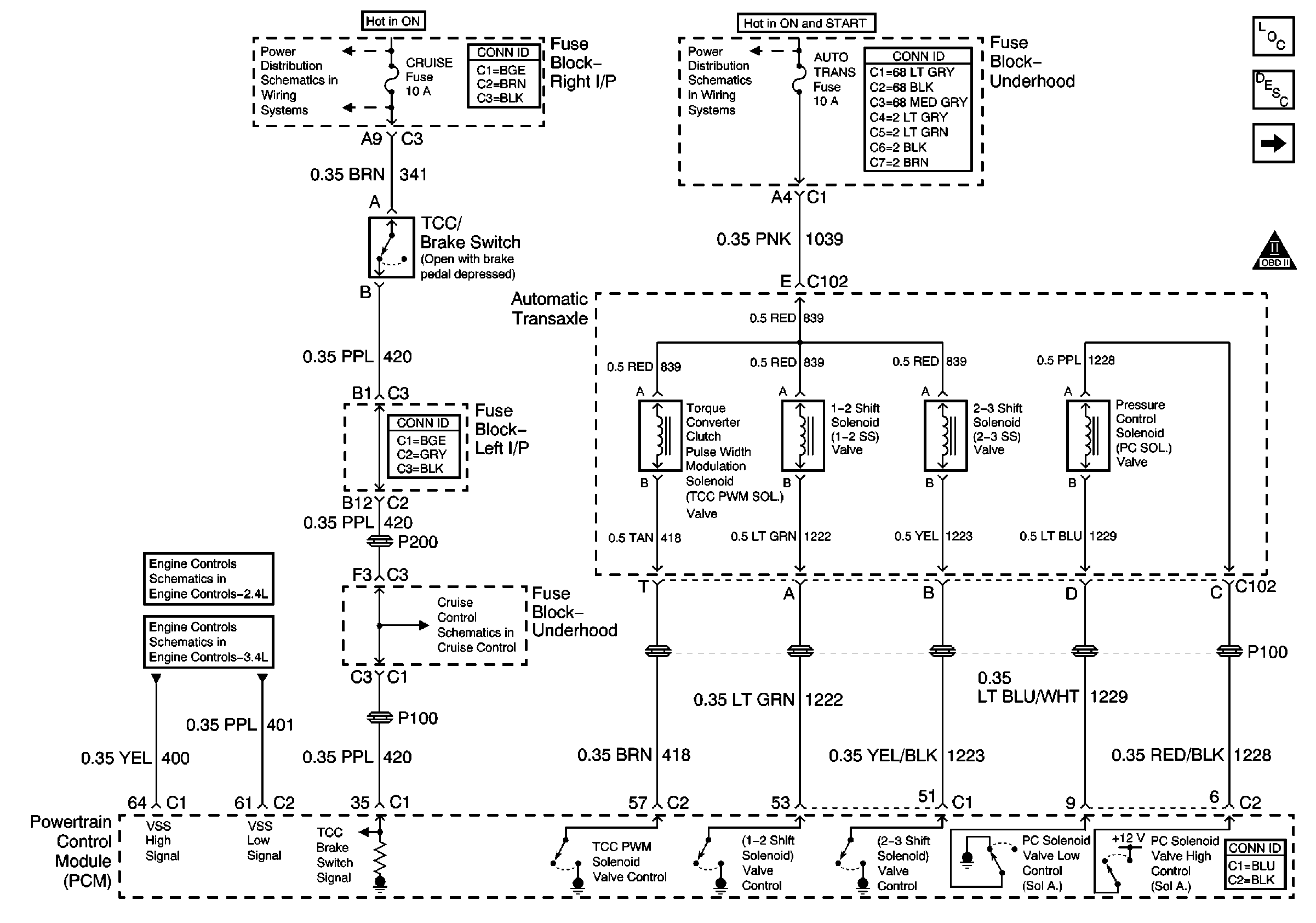
🢒 Brake Switch and Solenoids, 4T40 - E (LD9)
Brake Switch and Solenoids, 4T40 - E (LD9)
Brake Switch and Solenoids, 4T40 - E (LD9)
Master Electrical Component List
Electronic Component Description
TFP Valve Position Switch, TFT Sensor and A/T ISS Sensor: 4T40-E (LD9)
OBD II Symbol Description Notice
IGN SW-BATT2, WIPER, AIR BAG, TURN LPS, IGN MOD, BU LMP, PCM IGN, F/PINJR, A/C BFC, AUTO TRANS, ABS, IGN Fuses
PWR WNDWS Circuit Breaker, CRUISE SW, Cruise, SUNROOF, HVAC BLOWERFuses
Cruise Control Module
Power, Cruise Control Brake Switch, VSS
Power, Ground, CPP, Cruise Control, Brake Switch