GM Service Manual Online
For 1990-2009 cars only
Makes
🢒
Pontiac
🢒
2001
🢒
Grand Am
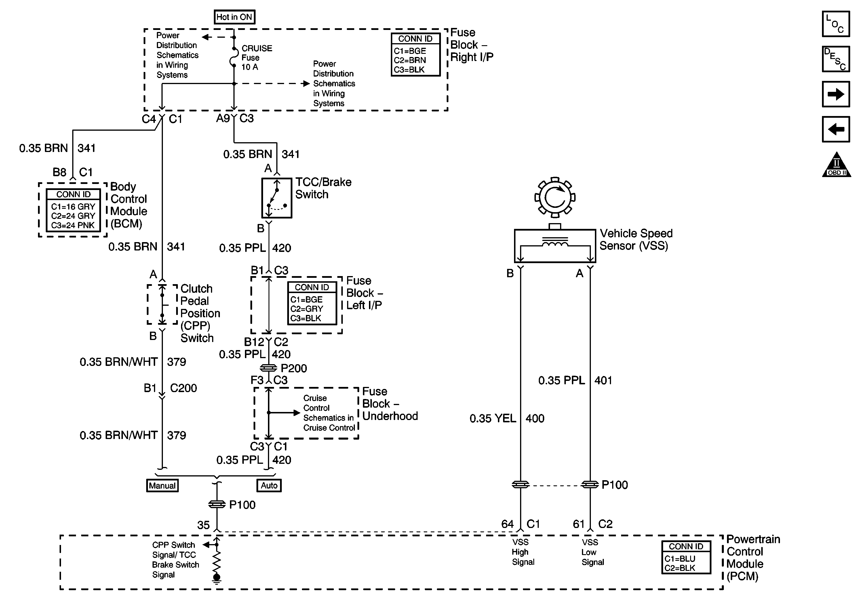
🢒 Power, Ground, CPP, Cruise Control, Brake Switch
Power, Ground, CPP, Cruise Control, Brake Switch
Power, Ground, CPP, Cruise Control, Brake Switch
Master Electrical Component List
Powertrain Control Module Description
PCM General References
Oil Pressure Sensor, IAC, PNP, and Generator
OBD II Symbol Description Notice
PWR WNDWS Circuit Breaker, CRUISE SW, Cruise, SUNROOF, HVAC BLOWERFuses
Cruise Control Module
PWR WNDWS Circuit Breaker, CRUISE SW, Cruise, SUNROOF, HVAC BLOWERFuses