GM Service Manual Online
For 1990-2009 cars only
Makes
🢒
Pontiac
🢒
2001
🢒
Grand Am
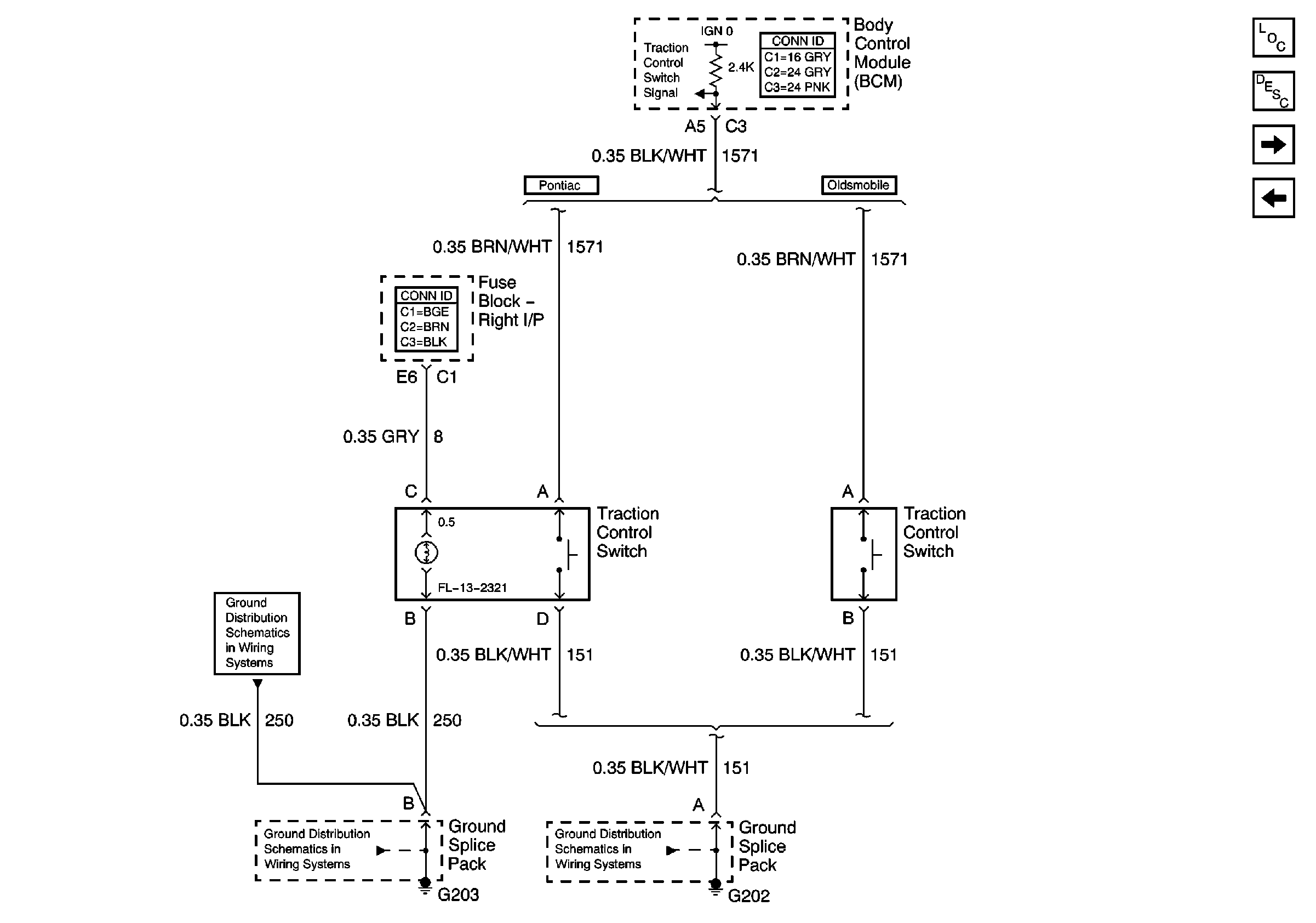
🢒 ETS Off Switch
ETS Off Switch
ETS Off Switch
Master Electrical Component List
ABS Description and Operation
Brake Switch and Fault Indicators
Speed Sensors and Brake Fluid Level Switch
G202
G203
G203