GM Service Manual Online
For 1990-2009 cars only
Makes
🢒
Pontiac
🢒
2001
🢒
Grand Am
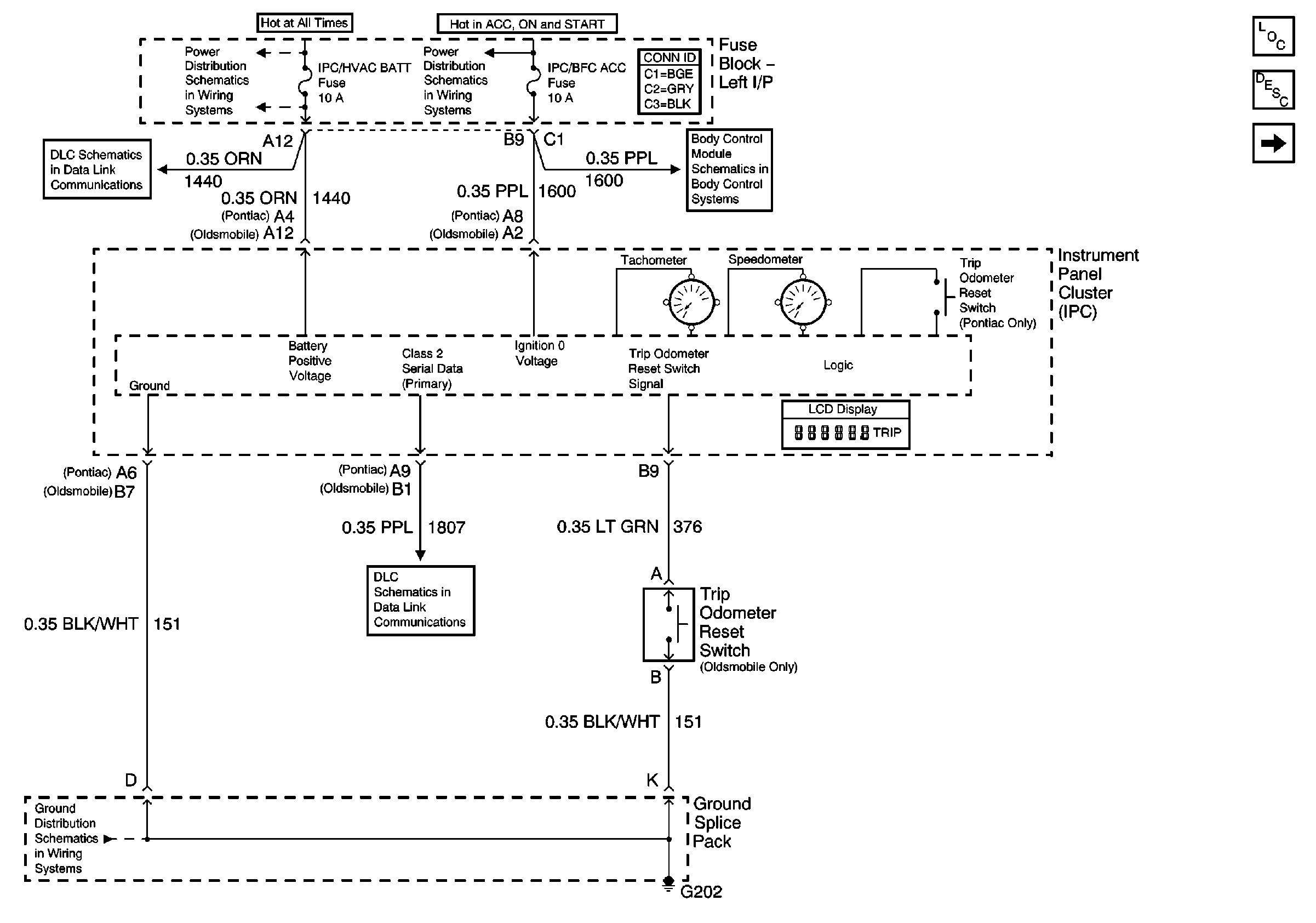
🢒 Power, Ground, and DLC
Power, Ground, and DLC
Power, Ground, and DLC
Master Electrical Component List
Fault Indicators
Power, Ground, and References
RH HDLP, LH HDLP, GEN BATT, LH BEC BATT 2, STOP LPS, HAZARD LPS, IPC/HVACBATT, BFC BATT Fuses
Data Link Connector Schematics
G202