GM Service Manual Online
For 1990-2009 cars only
Makes
🢒
Pontiac
🢒
2001
🢒
Grand Am
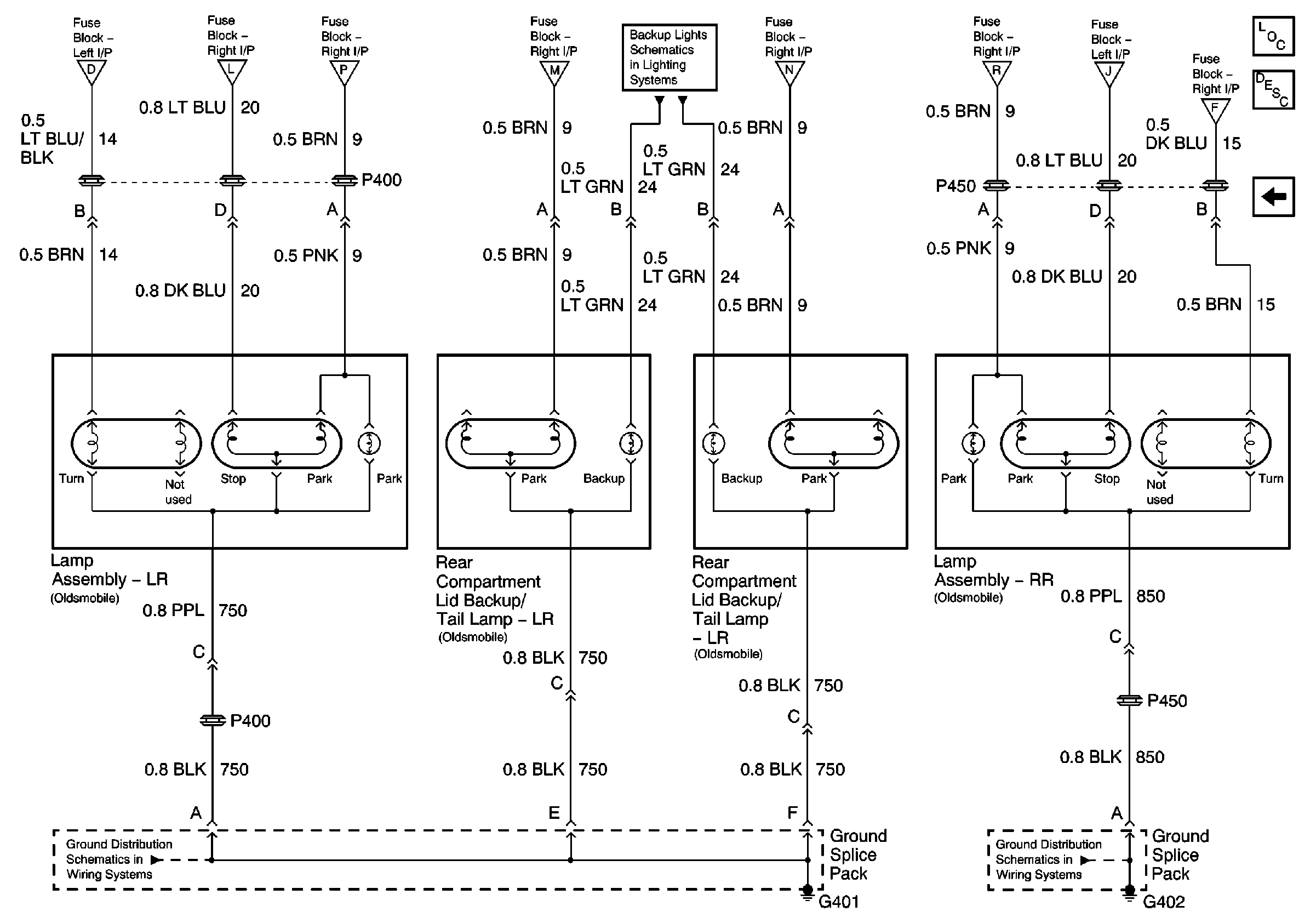
🢒 Rear Lamps (Oldsmobile)
Rear Lamps (Oldsmobile)
Rear Lamps (Oldsmobile)
Master Electrical Component List
Exterior Lighting Systems Description and Operation
Rear Lamps (Pontiac)
Hazard Switch
High Mounted Stop Lamp Assembly
License Lamps
PNP Switch and Backup Lamp Switch
License Lamps
License Lamps
High Mounted Stop Lamp Assembly
Hazard Switch
G402
G401