GM Service Manual Online
For 1990-2009 cars only
Makes
🢒
Pontiac
🢒
2001
🢒
Grand Am
🢒 Body Rear End Schematics
Body Rear End Schematics
Master Electrical Component List
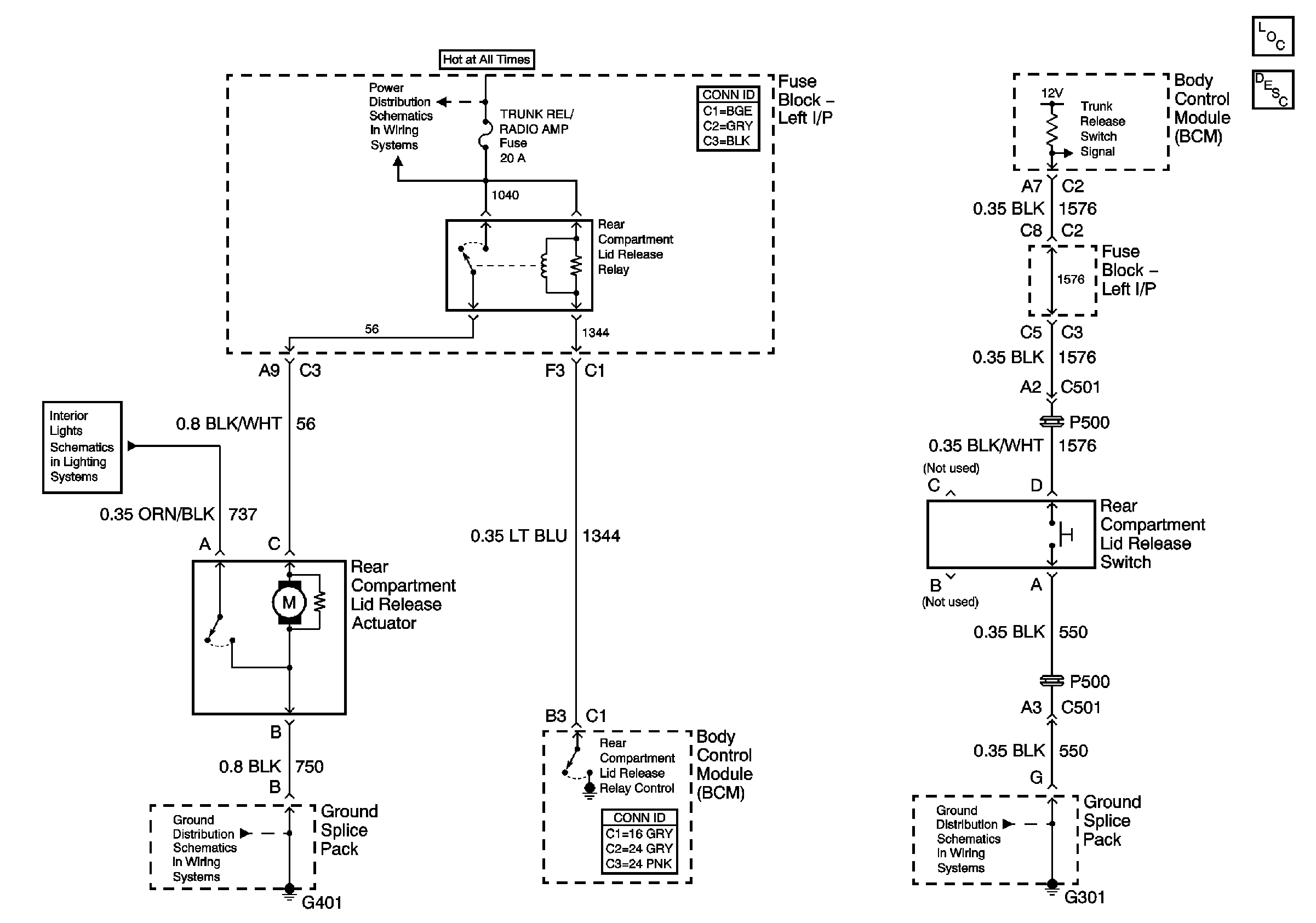
Luggage Compartment Description and Operation
G301
LH BEC BATT1, AUX PWR/CIGAR, PARK LPS, PCM BATT, PWR MIRROR, DR LOCK, TRUNK REL/RFA/Radio Amp Fuses, and RWR SEAT Circuit Breaker
Compartment Lamps
G401