GM Service Manual Online
For 1990-2009 cars only
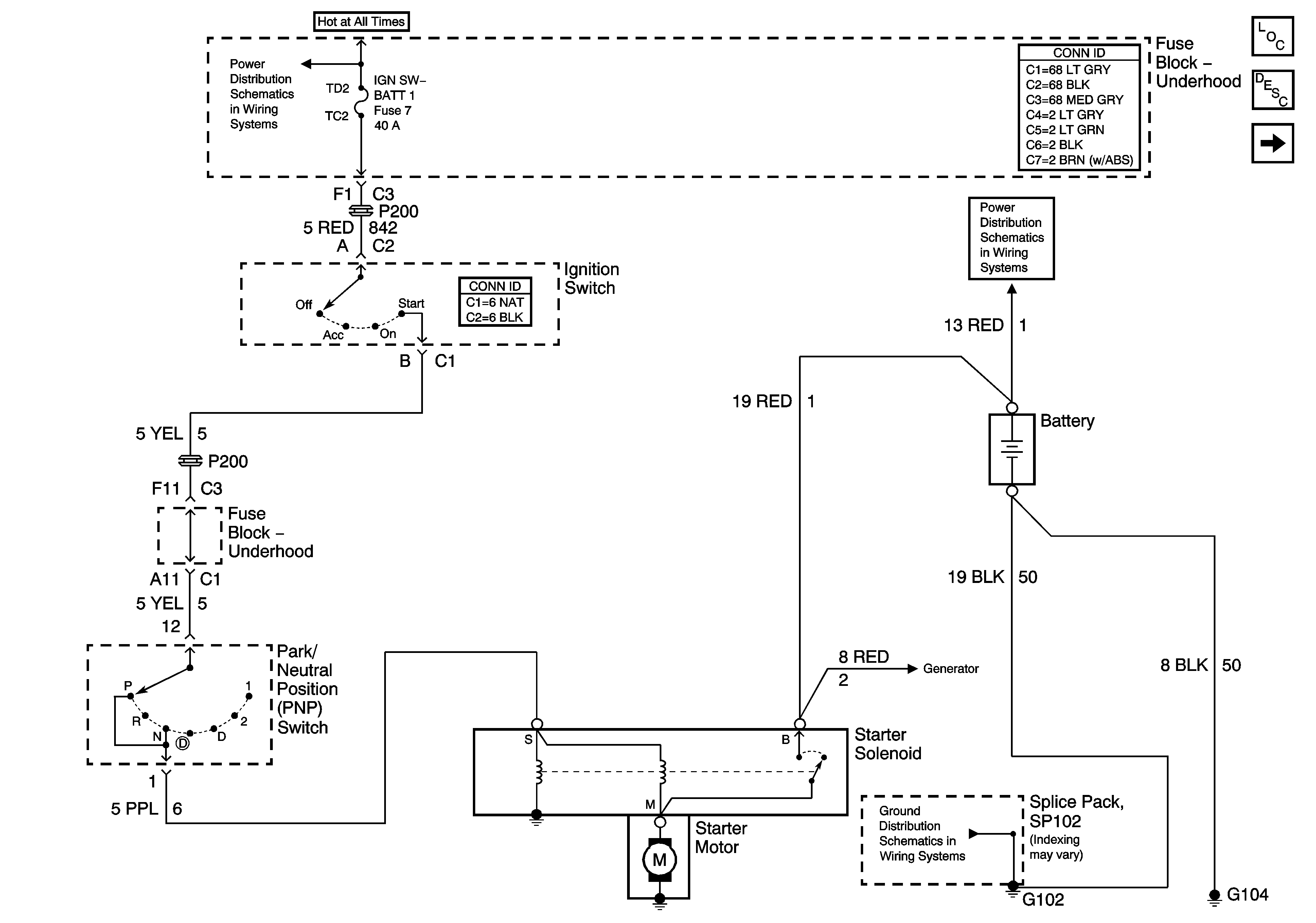
Figure 1:

Starting System - L61


Object Number: 1391470  Size: FS
Master Electrical Component List
Starting System Description and Operation
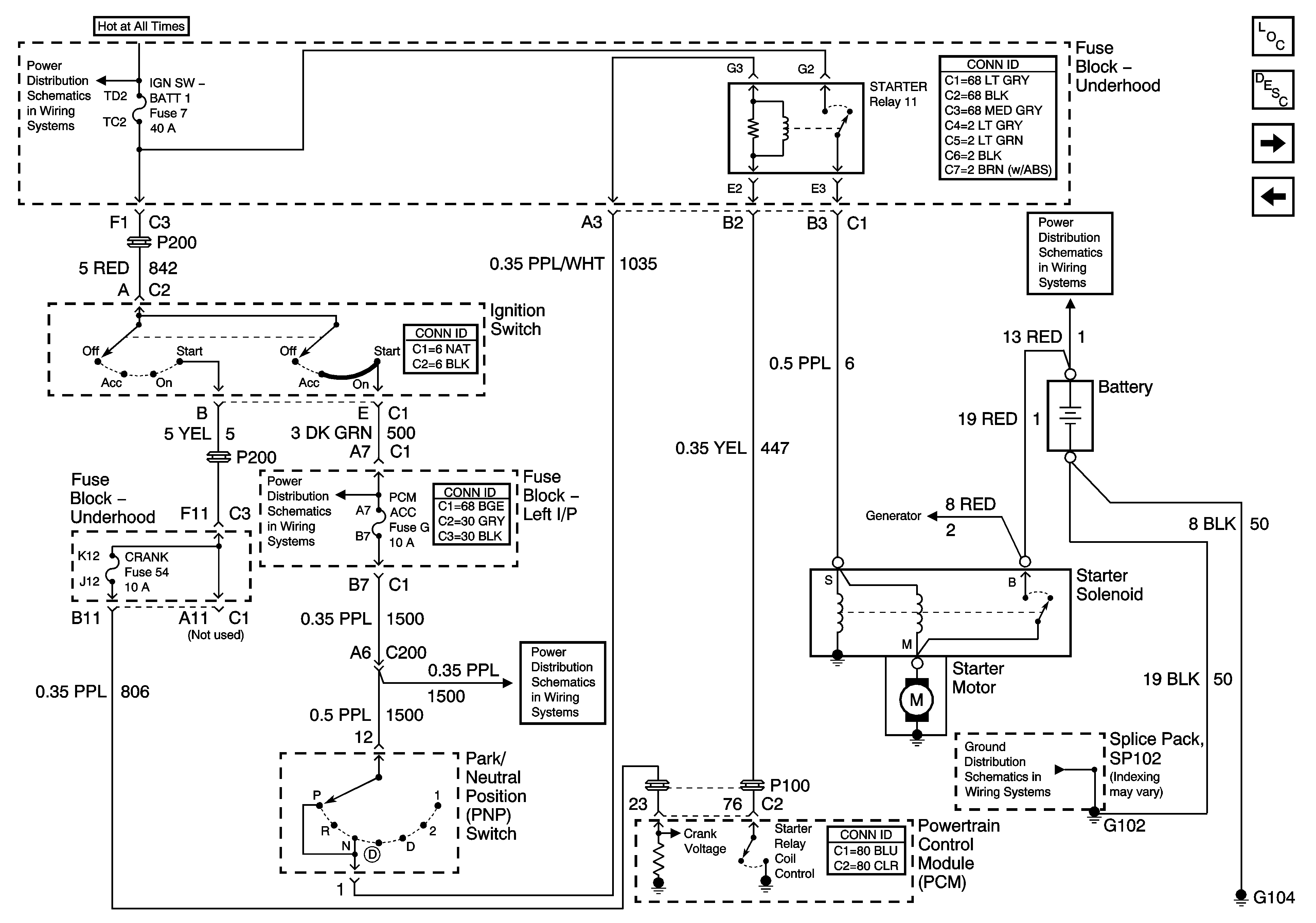
Starting System - LA1
IGN SW BATT1, ERLS, HTR-A/C and CRANK Fuses
B+ Bus Bar
Charging System
G102 and G104
Figure 2:

Starting System - LA1


Object Number: 1391471  Size: FS
Master Electrical Component List
Starting System Description and Operation
Charging System
Starting System - L61
IGN SW BATT1, ERLS, HTR-A/C and CRANK Fuses
B+ Bus Bar
PCM ACC and IPC/BFC ACC Fuses
PCM ACC and IPC/BFC ACC Fuses
Charging System
G102 and G104
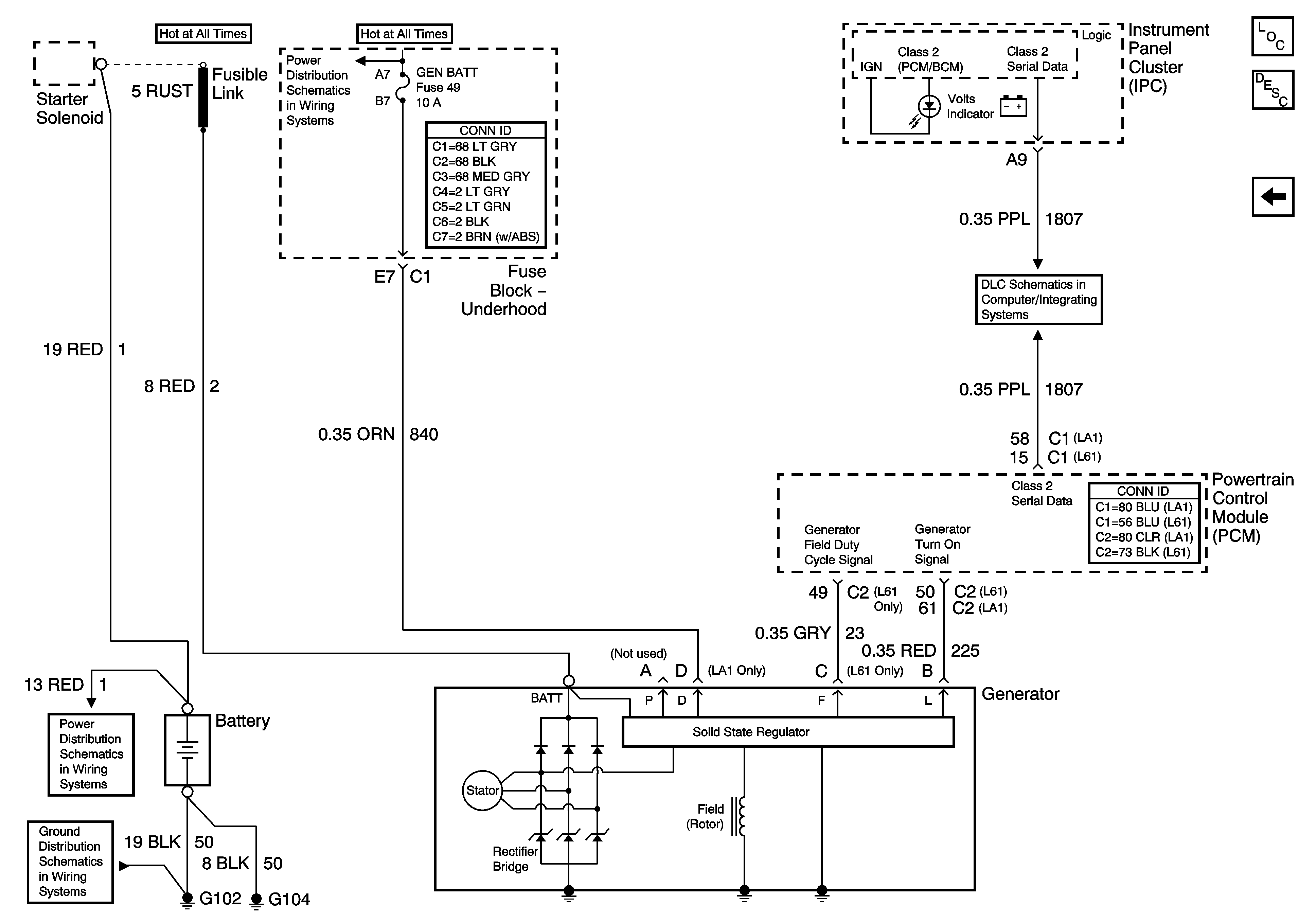
Figure 3:

Charging System


Object Number: 1391473  Size: FS
Master Electrical Component List
Charging System Description and Operation
Starting System - LA1
RH HDLP, LH HDLP, GEN BATT, LH BEC BATT2,, STOP LPS, HAZARD LPS, IPC/HVAC BATT, BFC BATT Fuses
Data Link Connector (DLC) Schematics
B+ Bus Bar
G102 and G104