GM Service Manual Online
For 1990-2009 cars only
Makes
🢒
Pontiac
🢒
1996
🢒
Grand Prix
🢒 Ignition Control Module
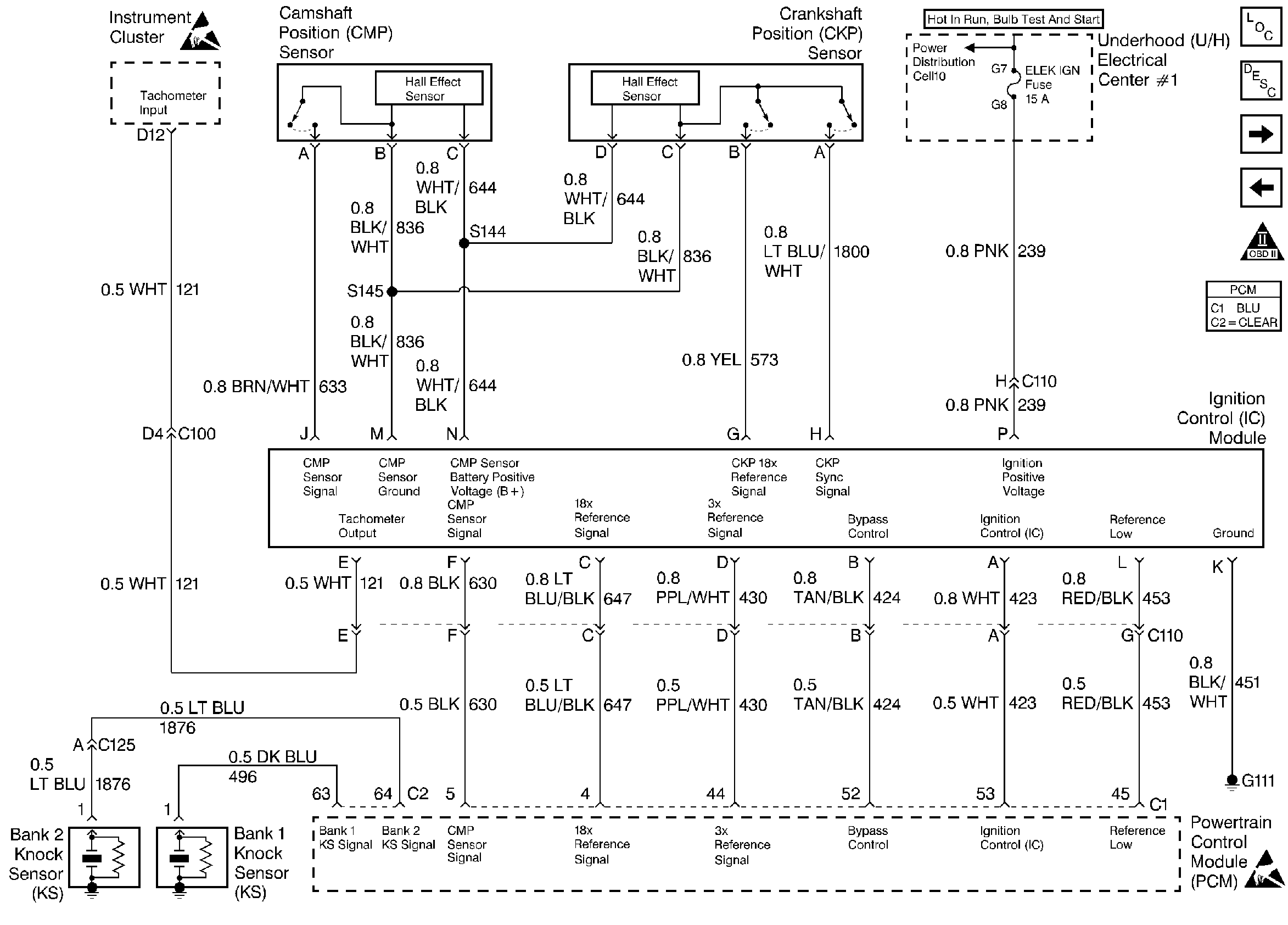
Ignition Control Module
Ignition Control Module
Engine Controls Components
Electronic Ignition (EI) System
Engine Grounds, Serial Data, MIL Control
Fuel Injectors Control
OBD II Symbol Description Notice
Handling ESD Sensitive Parts Notice
Handling ESD Sensitive Parts Notice