GM Service Manual Online
For 1990-2009 cars only
Makes
🢒
Pontiac
🢒
1996
🢒
Grand Prix
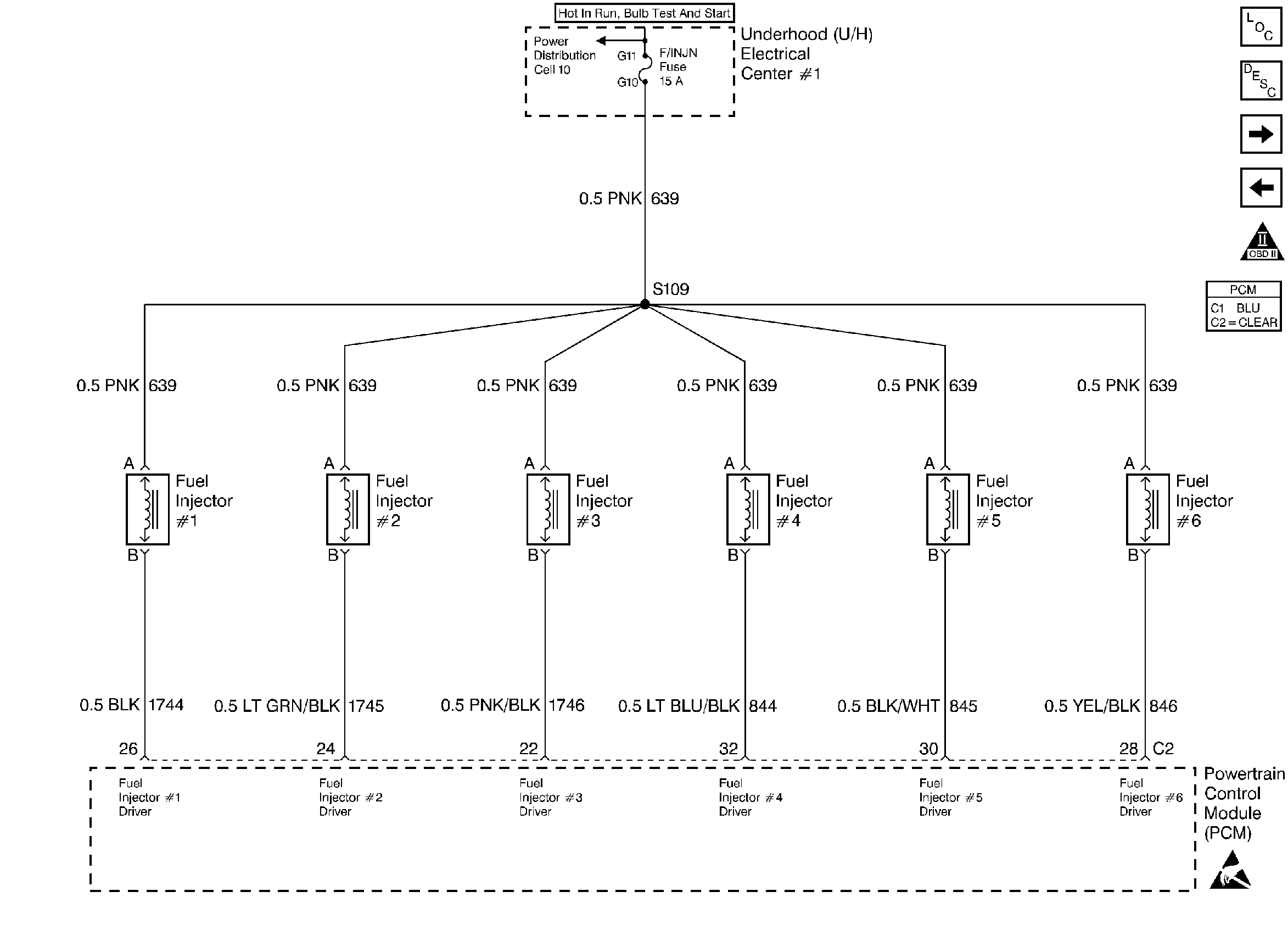
🢒 Fuel Injectors Control
Fuel Injectors Control
Fuel Injectors Control
Engine Controls Components
Fuel System Diagnosis
Fuel Pump Control
Ignition Control Module
OBD II Symbol Description Notice
Handling ESD Sensitive Parts Notice