GM Service Manual Online
For 1990-2009 cars only
Makes
🢒
Pontiac
🢒
1996
🢒
Grand Prix
🢒 Ignition Control
Ignition Control
Ignition Control
Engine Controls Components
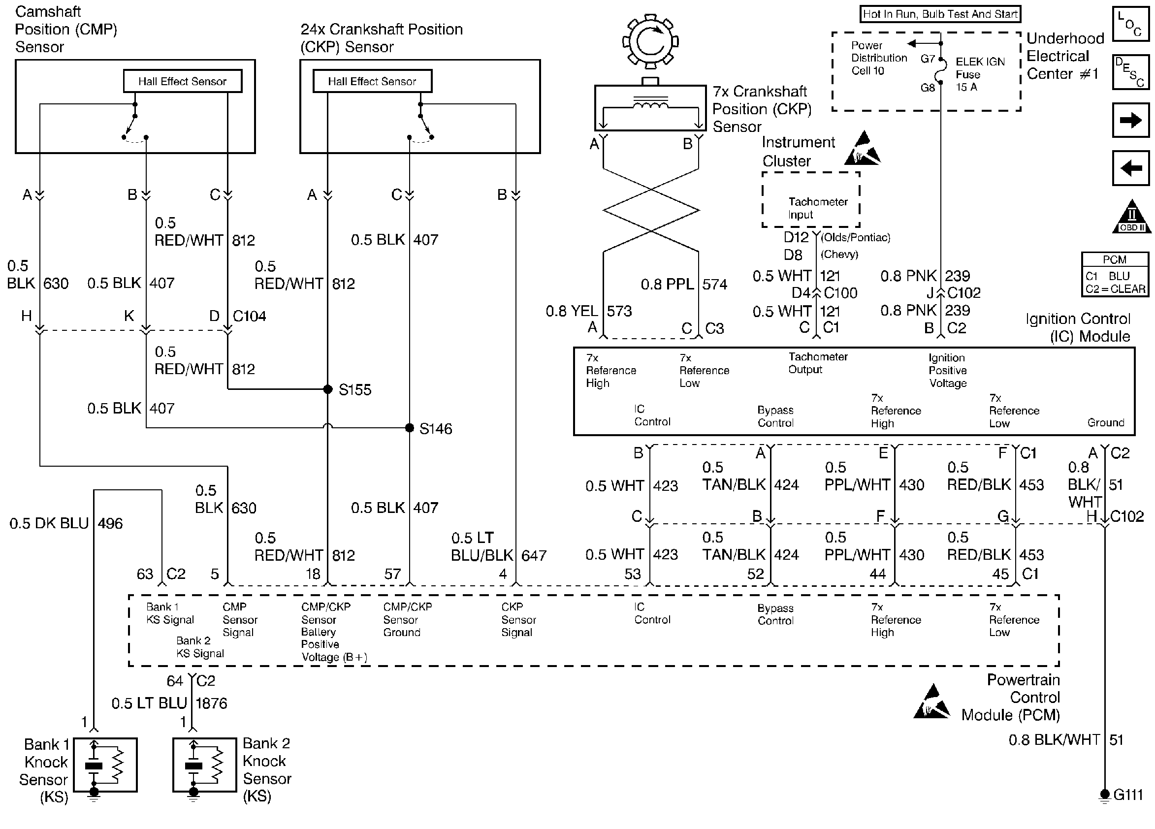
Electronic Ignition (EI) System
Fuel Injection Control
PCM Power, Grounds, MIL Control, Serial Data
OBD II Symbol Description Notice
Handling ESD Sensitive Parts Notice
Handling ESD Sensitive Parts Notice