GM Service Manual Online
For 1990-2009 cars only
Makes
🢒
Pontiac
🢒
1996
🢒
Grand Prix
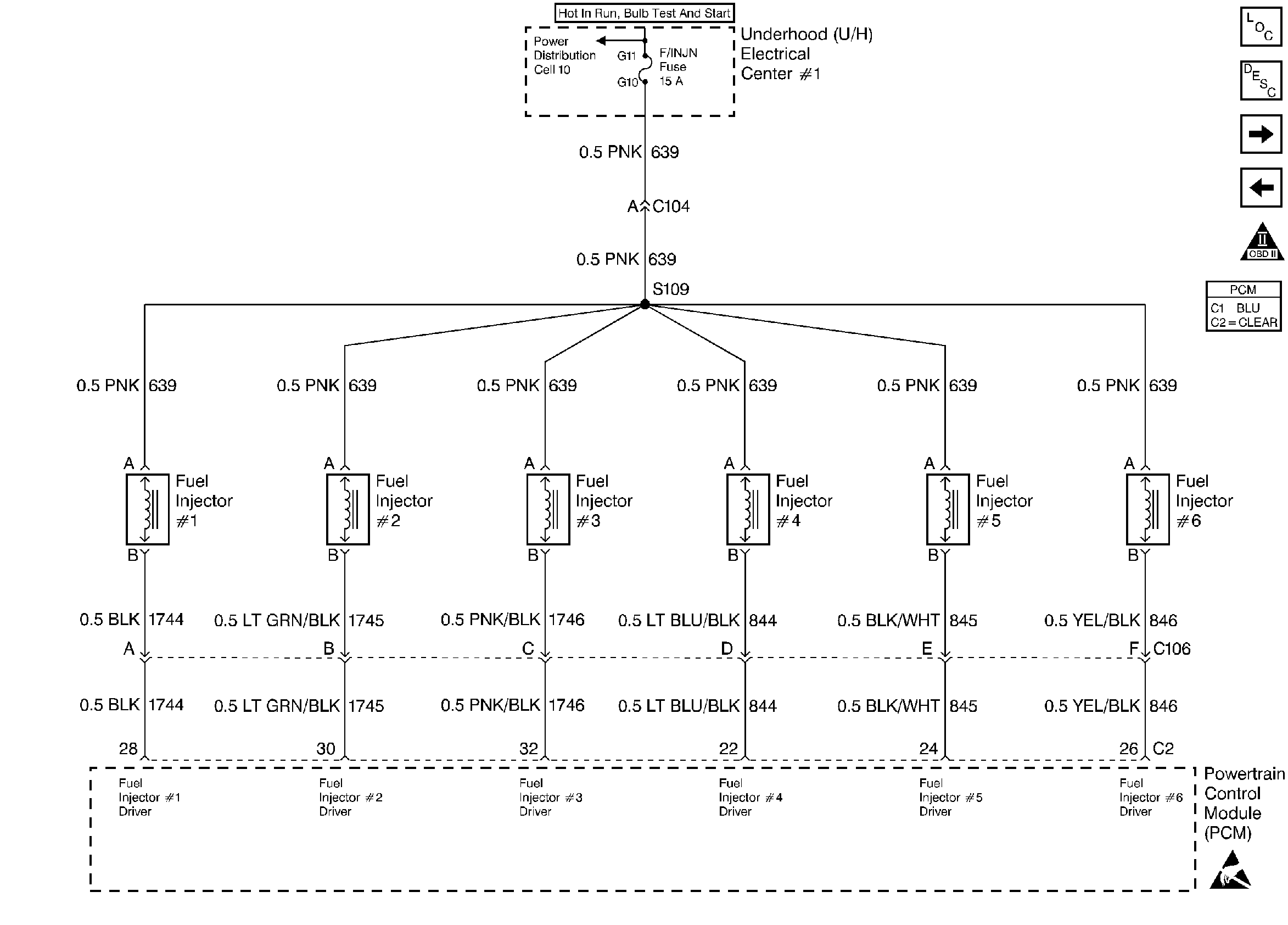
🢒 Fuel Injection Control
Fuel Injection Control
Fuel Injection Control
Engine Controls Components
Fuel Supply Components
Fuel Pump Control
Ignition Control
OBD II Symbol Description Notice
Handling ESD Sensitive Parts Notice