GM Service Manual Online
For 1990-2009 cars only
Makes
🢒
Pontiac
🢒
1996
🢒
Grand Prix
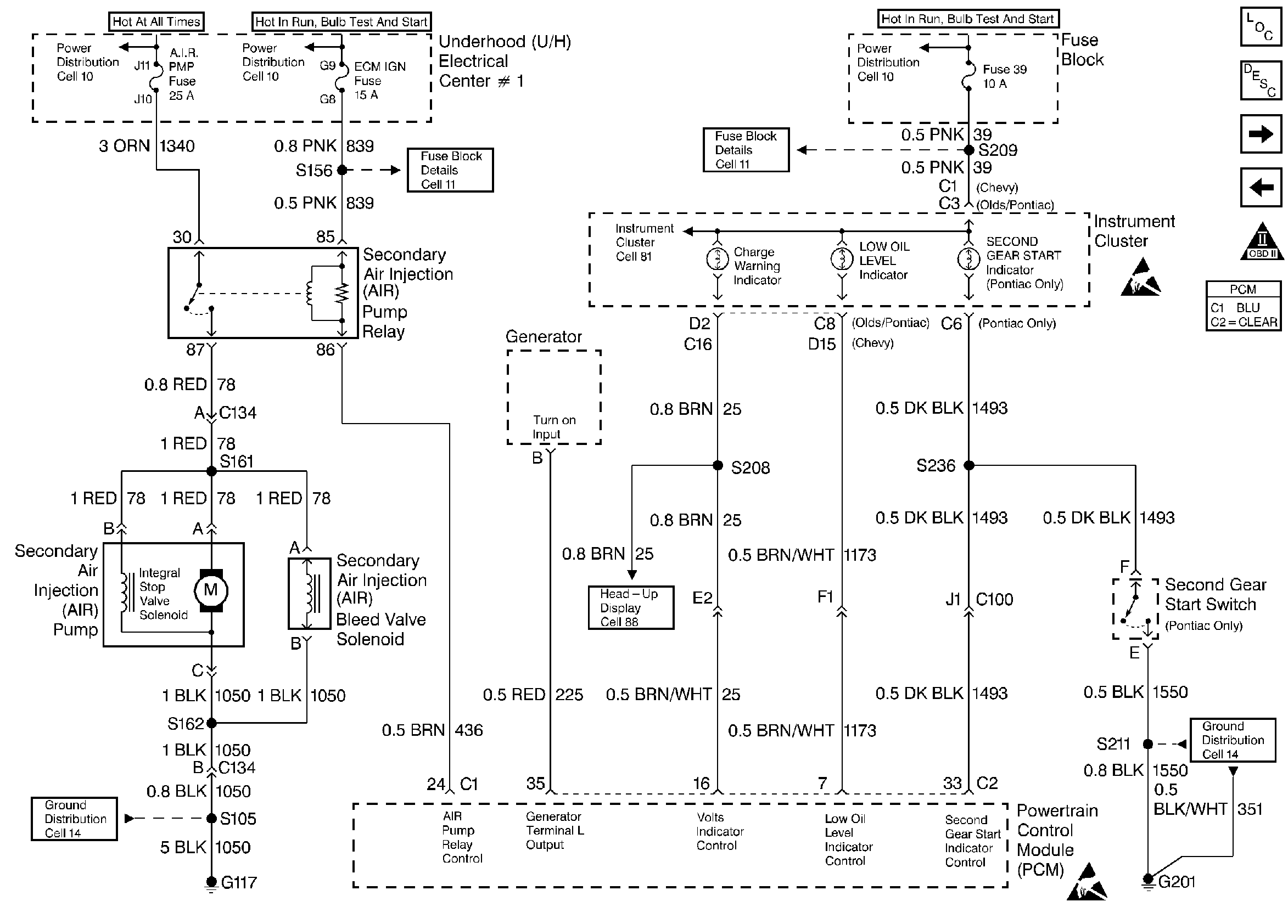
🢒 AIR ,Gen Control Volts Lamp, Low Oil
AIR ,Gen Control Volts Lamp, Low Oil
AIR ,Gen Control Volts Lamp, Low Oil
Engine Controls Components
Information Sensors
HAVOC A/C Control
TCC, Brake Switch
OBD II Symbol Description Notice
Handling ESD Sensitive Parts Notice
Handling ESD Sensitive Parts Notice