GM Service Manual Online
For 1990-2009 cars only
Makes
🢒
Pontiac
🢒
1996
🢒
Grand Prix
🢒 HAVOC A/C Control
HAVOC A/C Control
HVAC A/C Control
Engine Controls Components
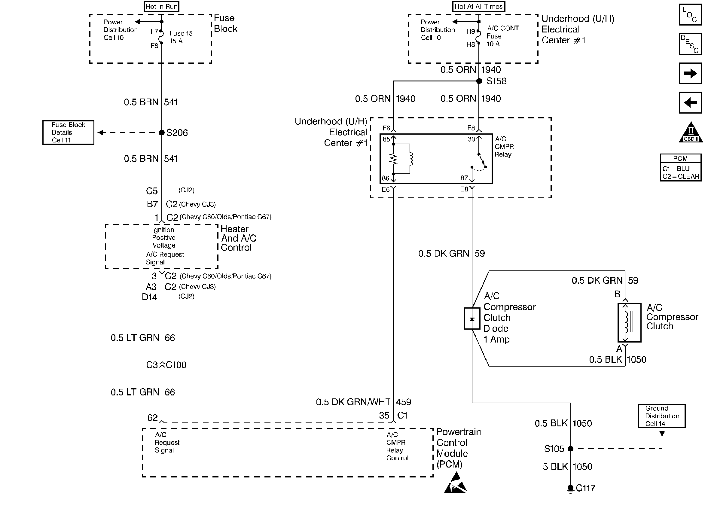
Powertrain Control Module Controlled Air Conditioning
Engine Cooing Fans
AIR ,Gen Control Volts Lamp, Low Oil
OBD II Symbol Description Notice
Handling ESD Sensitive Parts Notice