GM Service Manual Online
For 1990-2009 cars only
Makes
🢒
Pontiac
🢒
1996
🢒
Grand Prix
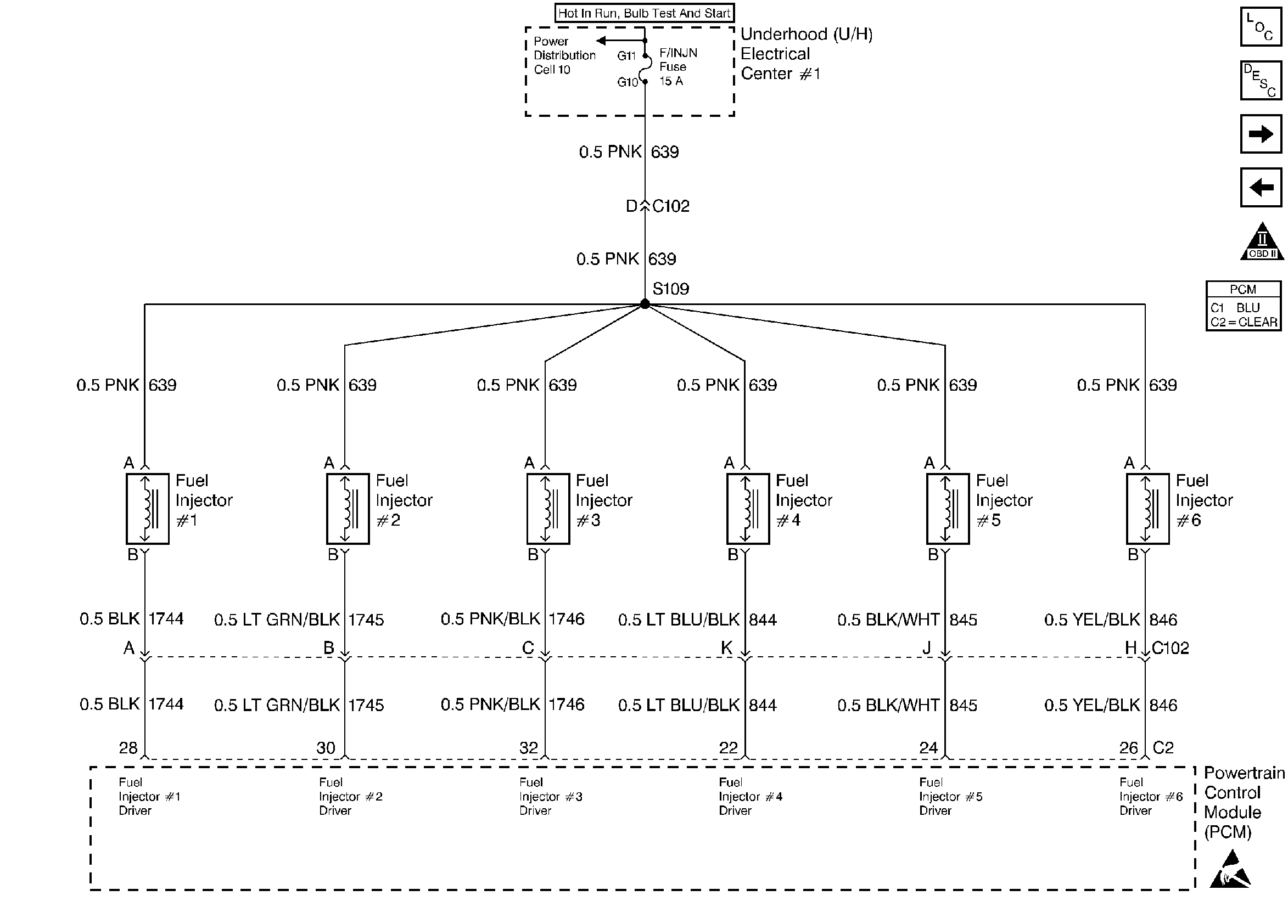
🢒 Fuel Injectors
Fuel Injectors
Fuel Injectors
Engine Controls Components
Fuel Metering System Components
Fuel Pump Relay and the Theft Deterrent System
Ignition Control and the Knock Sensor System
OBD II Symbol Description Notice
Handling ESD Sensitive Parts Notice
Handling ESD Sensitive Parts Notice