GM Service Manual Online
For 1990-2009 cars only
Makes
🢒
Pontiac
🢒
1996
🢒
Grand Prix
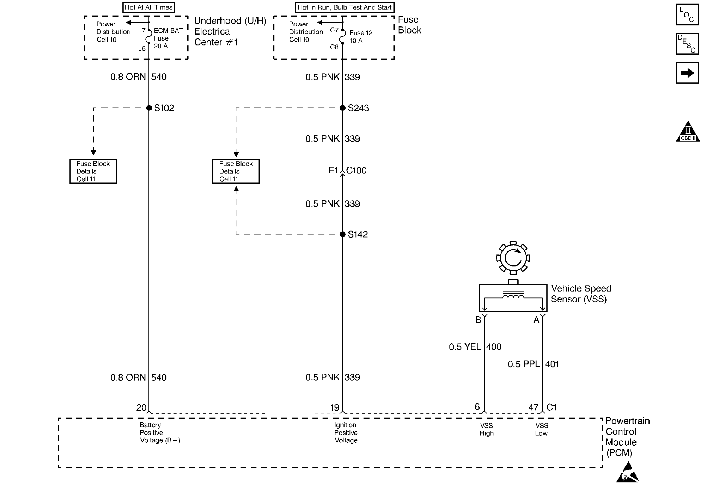
🢒 PCM Power and VSS (VIN M)
PCM Power and VSS (VIN M)
PCM Power and VSS (VIN M)
Automatic Transmission Components
Brake Switch, Solenoids, and TFT Sensor (VIN M)
OBD II Symbol Description Notice
Handling ESD Sensitive Parts Notice
Automatic Transmission Schematic References
Automatic Transmission Schematic References
Automatic Transmission Schematic References
Automatic Transmission Schematic References