GM Service Manual Online
For 1990-2009 cars only
Makes
🢒
Pontiac
🢒
1996
🢒
Grand Prix
🢒 Brake Switch, Solenoids, and TFT Sensor (VIN M)
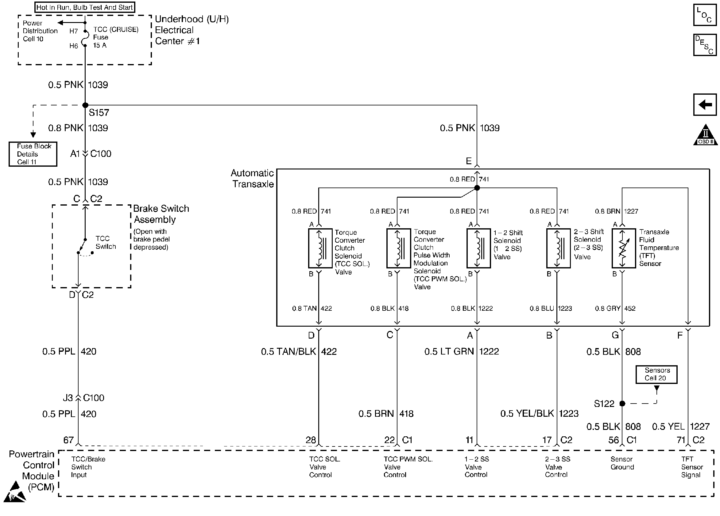
Brake Switch, Solenoids, and TFT Sensor (VIN M)
Brake Switch, Solenoids, and TFT Sensor (VIN M)
Automatic Transmission Components
PCM Power and VSS (VIN M)
OBD II Symbol Description Notice
Handling ESD Sensitive Parts Notice
Automatic Transmission Schematic References
Automatic Transmission Schematic References
Automatic Transmission Schematic References